EasyManua.ls Logo

KitchenAid W10271686B - Wiring Diagrams

KitchenAid W10271686B
40 pages
Print Icon
To Next Page IconTo Next Page
To Next Page IconTo Next Page
To Previous Page IconTo Previous Page
To Previous Page IconTo Previous Page
Loading...
19
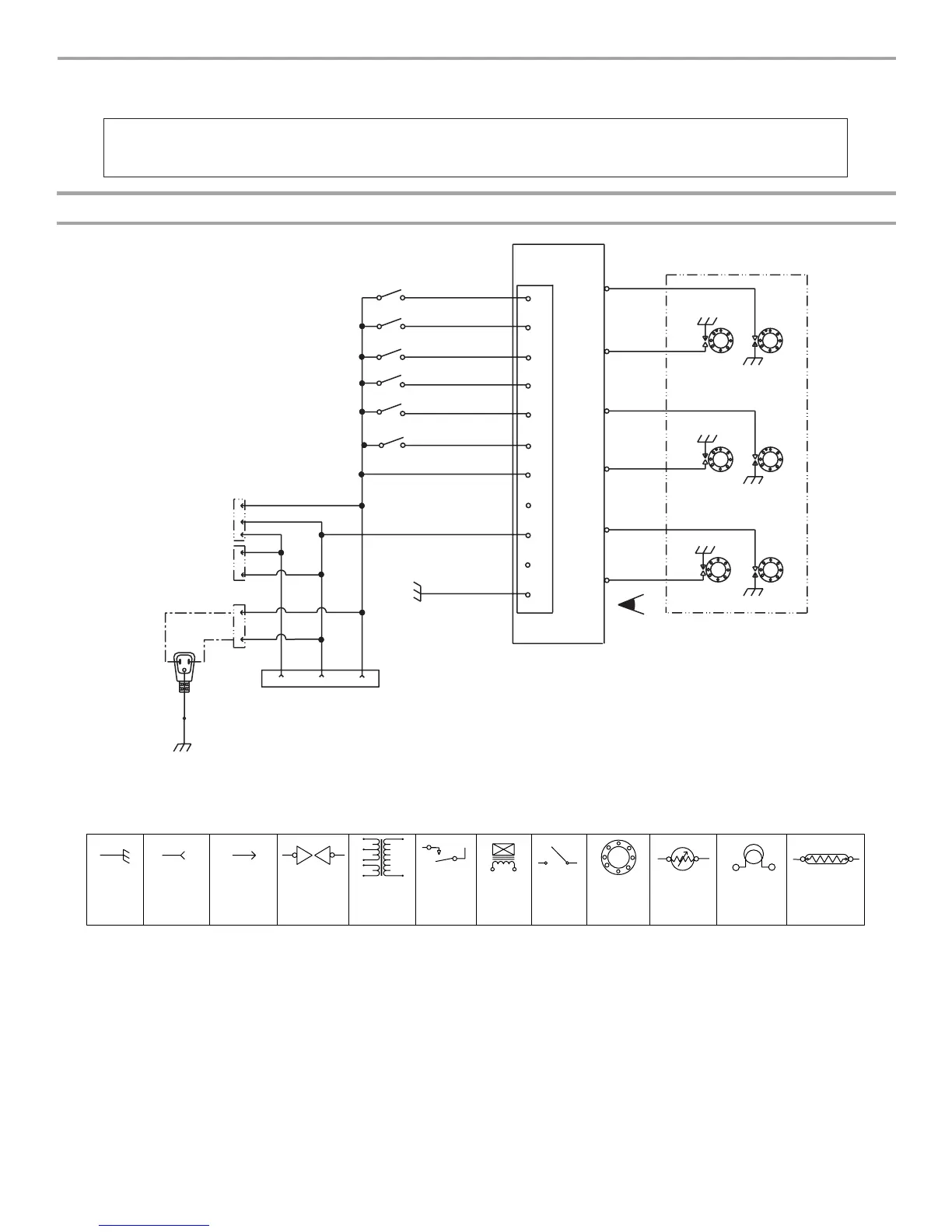
WIRING DIAGRAMS
6 Burners Cooktop Reignition Wiring Diagram
Caution: Label all wires prior to disconnection when servicing controls. Wiring errors can cause improper and dangerous operation.
Verify proper operation after servicing.
GND
GND
G
L
N
Power
Cord
BK
WR
W
R
W
BK
BK
W
R
R
R
R
R
R
R
R
R
BU
BR
Y
G
BK
Control Input
Electrodes Output
SW1
SW2
SW3
SW4
SW5
SW6
L
N
R
BU
BR
Y
G
BK
21
43
6
5
Griddle Spare
Grill Spare
Power Cord Only To
Cooktop Stand Alone
Version
Main - Harness
Power Spare
Cooktop
Front View
LEGEND
Ground
(Chassis)
Plug With
Female
Connector
Receptacle
With Male
Connector
Electrode Transformer Relay
Contacts
Solenoid
Valve
Switch Cooktop
Gas Burner
RTD -
Temperature
Sensor
Heating
Element
Indicator Lamp

Related product manuals