EasyManua.ls Logo

KitchenAid W10271686B - Schéma des Circuits

KitchenAid W10271686B
40 pages
Print Icon
To Next Page IconTo Next Page
To Next Page IconTo Next Page
To Previous Page IconTo Previous Page
To Previous Page IconTo Previous Page
Loading...
38
5. Ouvrir le robinet d'arrêt de la canalisation de gaz. Le robinet
est ouvert lorsque la manette est parallèle à la canalisation de
gaz.
NE PAS OUBLIER : Après avoir exécuté la conversion du gril,
effectuer un test de recherche des fuites au niveau de la table
de cuisson : appliquer une solution de détection des fuites
homologuée non corrosive. La formation de bulles identifie
une fuite. Veiller à éliminer toute fuite détectée.
6. Brancher la table de cuisson ou reconnecter la source de
courant électrique.
Achever l'installation
1. Consulter la section “Raccordement au gaz” pour le
raccordement correct de la table de cuisson à la canalisation
d'alimentation en gaz.
2. Pour l'allumage et l'utilisation corrects du brûleur ainsi que le
réglage des flammes sur le brûleur, voir la section “Système
d'allumage électronique”, dans la section “Achever
l’installation”.
IMPORTANT : Il peut être nécessaire de modifier le réglage
des flammes à la position du débit thermique minimum (“LO”)
pour chaque brûleur de la table de cuisson.
Il est très important de vérifier l’établissement de flammes
correctes sur les brûleurs de la table de cuisson. Le petit
cône interne doit comporter une flamme bleue très distincte
de ¼" (0,64 cm) à ½" (1,3 cm) de longueur. Le cône externe
n'est pas aussi disctinct que le cône interne. Les flammes
d'un brûleur alimenté au propane comportent une pointe
légèrement jaune.
3. Voir le paragraphe “Achever l'installation” de la section
“Instructions d'installation” du présent manuel pour achever
ce processus.
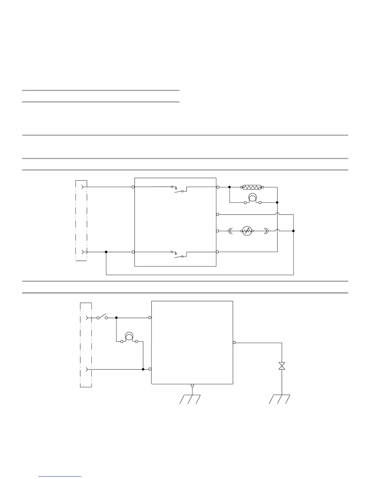
SCHÉMA DES CIRCUITS
Schéma de câblage de commande à 120 V de la plaque à la table de cuisson indépendante
Schéma de câblage du rallumage du gril à la table de cuisson autonome et autoportante
R
BL OR/BL
OR/BL OR/BL
BL
VI
BL
VIVIBL BL
P2-1
P2-6
P1-1
P1-3
P1-4
P1-6
Commande rotative
RTD
BU BL
1320W/120V
Lampe 120V
N
MAR
MAR
Module de rallumage du gril
Lampe 120V
BL
BL
BU

Related product manuals