EasyManua.ls Logo

KitchenAid W10271686B - Schéma de Câblage

KitchenAid W10271686B
40 pages
Print Icon
To Next Page IconTo Next Page
To Next Page IconTo Next Page
To Previous Page IconTo Previous Page
To Previous Page IconTo Previous Page
Loading...
39
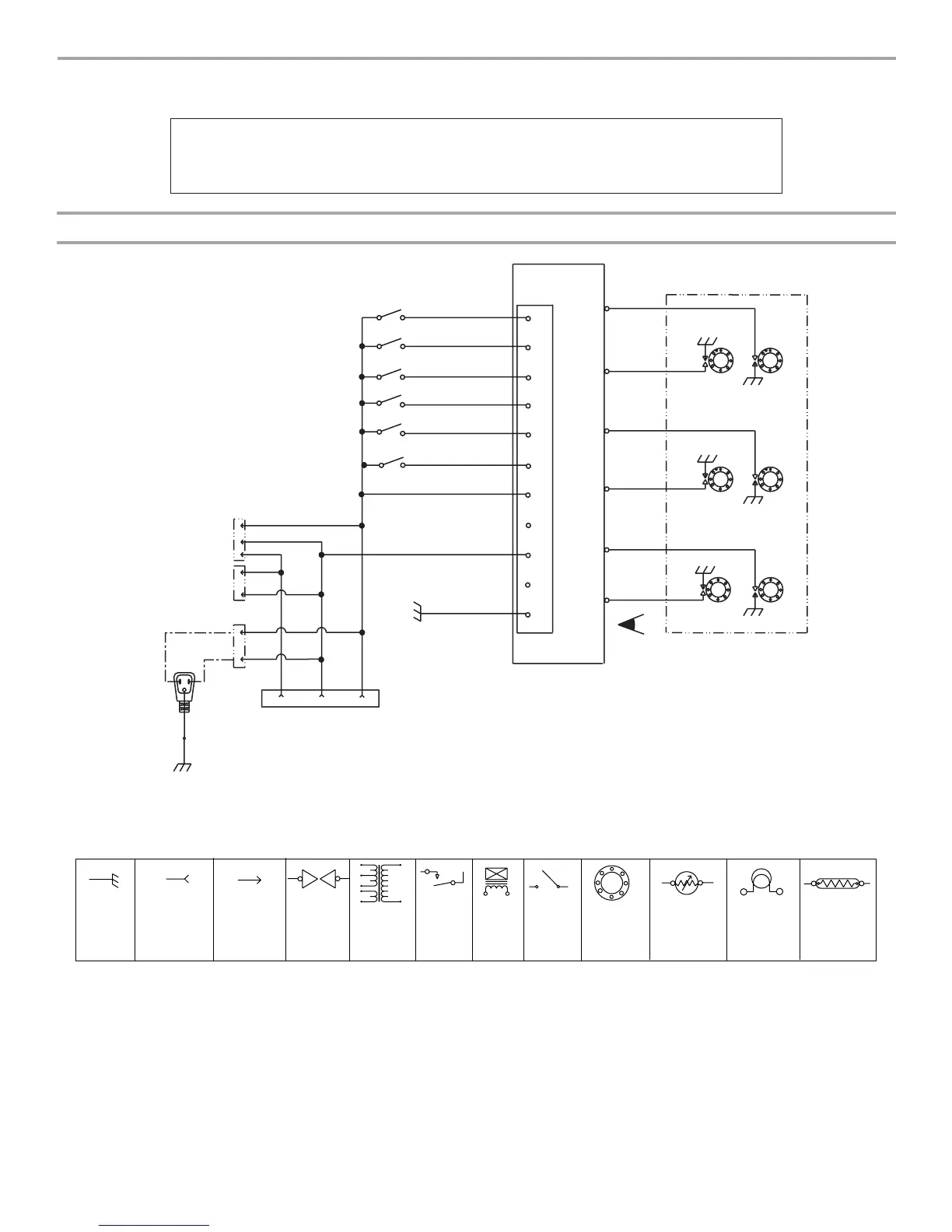
SCHÉMA DE CÂBLAGE
Schéma de câblage de rallumage de la table de cuisson à six brûleurs
Mise en garde : Lors de toute intervention sur les circuits, étiqueter chaque conducteur avant de le déconnecter.
Une erreur lors du rebranchement pourrait susciter une situation dangereuse ou un fonctionnement incorrect.
Vérifier le bon fonctionnement de l'appareil après l'intervention.
Terre
Terre
VE
L
NEU
N
BL R
BL
R
BL
N
N
BL
R
R
R
R
R
R
R
R
R
BU
MAR
JA
VE
N
Entrée de commande
Sortie des électrodes
SW1
SW2
SW3
SW4
SW5
SW6
L
NEU
R
BU
MAR
JA
VE
N
21
43
6
5
Source secondaire
pour la plaque à frire
Source secondaire
pour le gril
Faisceau principal
Alimentation secondaire
Vue de face
de la table
de cuisson
Cordon d'alimentation
uniquement à la version
de la table de cuisson autonome
Cordon
d'alimentation
LÉGENDE
MASSE-
(CHÂSSIS)
FICHE AVEC
CONNECTEUR
FEMELLE
PRISE AVEC
CONNECTEUR
MALE
ÉLECTRODE TRANSFOR-
MATEUR
CONTACTS
DU RELAIS
VANNE
SOLÉ-
NOÏDE
CONTAC-
TEUR
BRÛLEUR À
GAZ DE LA
TABLE DE
CUISSON
RTD -
CAPTEUR DE
TEMPÉRATURE
ÉLÉMENT
CHAUFFANT
TÉMOIN
LUMINEUX

Related product manuals