EasyManua.ls Logo

KitchenAid W10271686B - Page 40

KitchenAid W10271686B
40 pages
Print Icon
To Previous Page IconTo Previous Page
To Previous Page IconTo Previous Page
Loading...
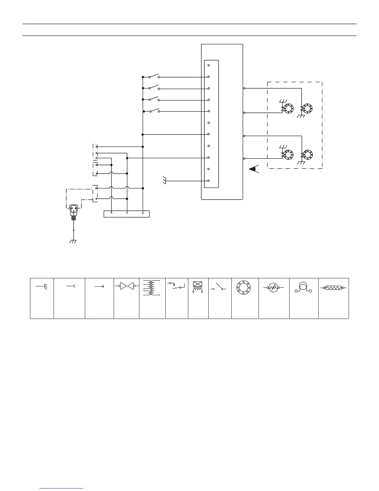
Schéma de câblage de rallumage de la table de cuisson à quatre brûleurs
L NEU
Terre
VE
R
R
BL
BL
BL
BL
R
N
N
N
R
R
R
R
R
R
BU
MAR
JA
Terre
Entrée de commande
Sortie des électrodes
SW1
SW2
SW3
SW4
L
NEU
JA
MAR
BU
R
2
1
4
3
Faisceau principal
Alimentation secondaire
Vue de face
de la table
de cuisson
Source secondaire
pour la plaque
à frire
Source secondaire
pour le gril
Cordon
d'alimentation
Cordon d'alimentation
uniquement à la version
de la table de cuisson autonome
LÉGENDE
MASSE-
(CHÂSSIS)
FICHE AVEC
CONNECTEUR
FEMELLE
PRISE AVEC
CONNECTEUR
MALE
ÉLECTRODE TRANSFOR-
MATEUR
CONTACTS
DU RELAIS
VANNE
SOLÉ-
NOÏDE
CONTAC-
TEUR
BRÛLEUR À
GAZ DE LA
TABLE DE
CUISSON
RTD -
CAPTEUR DE
TEMPÉRATURE
ÉLÉMENT
CHAUFFANT
TÉMOIN
LUMINEUX
W10271686B
©
2009. All rights reserved.
Tous droits réservés.
® Registered Trademark/TM Trademark of KitchenAid, U.S.A., KitchenAid Canada licensee in Canada
® Marque déposée/TM Marque de commerce de KitchenAid, U.S.A., Emploi sous licence par KitchenAid Canada au Canada
5/09
Printed in U.S.A.
Imprimé aux É.-U.

Related product manuals