EasyManua.ls Logo

Klein + Hummel O 810 - Synoptiques Système

Default Icon
96 pages
Print Icon
To Next Page IconTo Next Page
To Next Page IconTo Next Page
To Previous Page IconTo Previous Page
To Previous Page IconTo Previous Page
Loading...
Klein + Hummel
Manuel Utilisateur O 810 / O 870 Page 35 de
96 Version 01
Synoptiques Système
Synoptiques SystèmeSynoptiques Système
Synoptiques Système
Left Back
Right Back
Center
LFE / Sum
Left
Right
Left
Surround
Right
Surround
80
80
80
80
80
80
80
Power
on Mute
Low Cut PhaseParametric
Left Back
Right Back
Center
Left
Right
Left
Surround
Right
Surround
Sum
0 45
90 135
0 … -12
+ 4 20 1
-12 120 8
180
Output
Level
P rotect
VOL
VOL
VOL
VOL
VOL
VOL
VOL
Σ
Coarse
Limiter /
S oft Clip
P ow er
120
80
Power
Amps
Σ
Fine
VOL
Signal
Generator
80
Σ
Σ
Σ
LFE Rou ting
and Gain
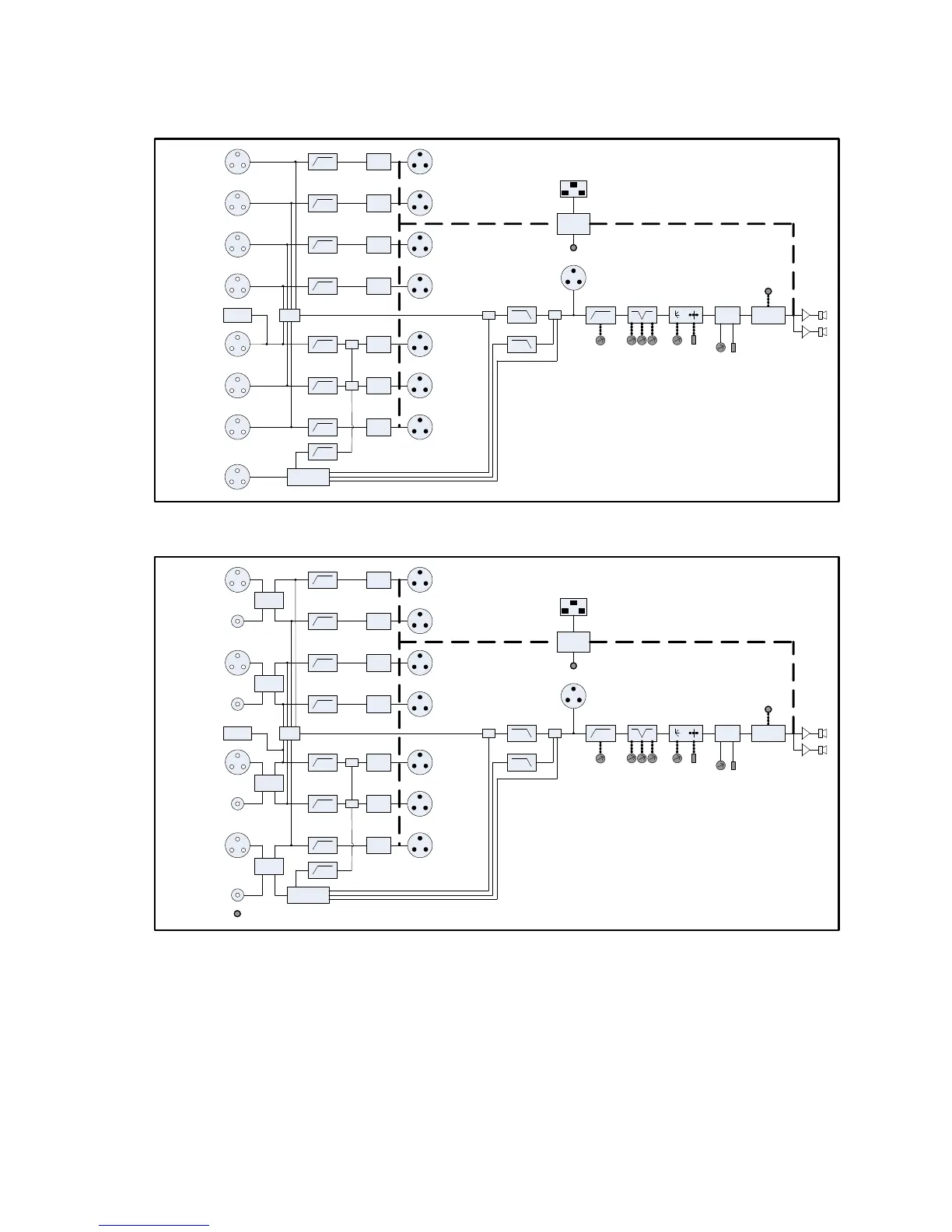
Synoptique Bass Manager 7.1 Haute Définition
Synoptique Bass Manager 7.1 Haute DéfinitionSynoptique Bass Manager 7.1 Haute Définition
Synoptique Bass Manager 7.1 Haute Définition
XLR 4
BNC 4
XLR 2
BNC 2
XLR 1
BNC 1
XLR 3
BNC 3
80
80
80
80
80
80
80
Power
on Mute
Low Cut PhaseParametric
Output 4,
Subframe A
Output 4,
Subframe B
Output 2,
Subframe A
Output 1,
Subframe A
Output 1,
Subframe B
Output 3,
Subframe A
Output 3,
Subframe B
Sum
0 45
90 135
0 … -12
+ 4 20 1
-12 120 8
180
Output
Level
P rotect
VOL
VOL
VOL
VOL
VOL
VOL
VOL
Σ
Coarse
Limiter /
S oft Clip
P ow er
120
80
Power
Amps
Σ
Fine
VOL
Signal
Generator
LFE Rou ting
and Gain
Digital A udio Error
80
Σ
Σ
Σ
RX / SRC /
Delay / DAC
RX / SRC /
Delay / DAC
RX / SRC /
Delay / DAC
RX / SRC /
Delay / DAC
The LFE channel mus t b e
placed on Input 2, S ubframe B
Synoptique Bass Manager 7.1 Haute Définition, avec carte d’entrée numérique DIM 4 en place
Synoptique Bass Manager 7.1 Haute Définition, avec carte d’entrée numérique DIM 4 en placeSynoptique Bass Manager 7.1 Haute Définition, avec carte d’entrée numérique DIM 4 en place
Synoptique Bass Manager 7.1 Haute Définition, avec carte d’entrée numérique DIM 4 en place
Le Bass Manager 7.1 canaux haute définition se compose des sections suivantes : carte d’entrée (analogique ou
numérique), carte de sortie, carte de filtrage, module(s) amplificateur(s), carte secteur. Le modèle O 810 intègre
un seul amplificateur de puissance et un seul boomer, le modèle O 870 possède deux amplificateurs de puissance
et deux boomers. Pour plus d’informations sur les caractéristiques de ces amplificateurs de puissance et de ces
transducteurs, veuillez vous référer aux caractéristiques techniques, en fin de manuel utilisateur (page 25).

Table of Contents

Related product manuals