EasyManua.ls Logo

Klein + Hummel O 810 - Product Components and Features; System Block Diagrams

Default Icon
96 pages
Print Icon
To Next Page IconTo Next Page
To Next Page IconTo Next Page
To Previous Page IconTo Previous Page
To Previous Page IconTo Previous Page
Loading...
Klein + Hummel
O 810 / O 870 Operating Manual Page 5 of 96 Version 01
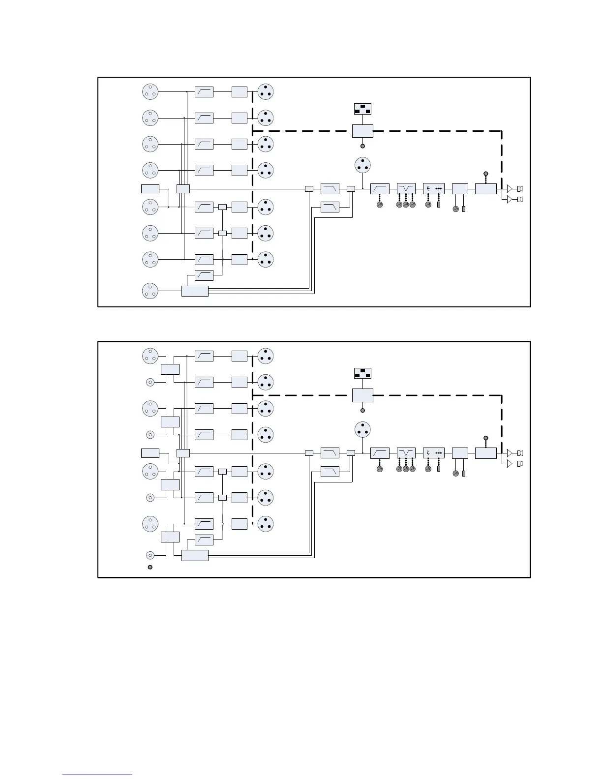
System Block Diagrams
System Block DiagramsSystem Block Diagrams
System Block Diagrams
Left Back
Right Back
Center
LFE / Sum
Left
Right
Left
Surround
Right
Surround
80
80
80
80
80
80
80
Power
on Mute
Low Cut PhaseParametric
Left Back
Right Back
Center
Left
Right
Left
Surround
Right
Surround
Sum
0 45
90 135
0 … -12
+ 4 20 1
-12 120 8
180
Output
Level
P rotect
VOL
VOL
VOL
VOL
VOL
VOL
VOL
Σ
Coarse
Limiter /
S oft Clip
P ow er
120
80
Power
Amps
Σ
Fine
VOL
Signal
Generator
80
Σ
Σ
Σ
LFE Rou ting
and Gain
7.1 High Defini
7.1 High Defini7.1 High Defini
7.1 High Definition Bass Manager™ Block Diagram
tion Bass Manager™ Block Diagramtion Bass Manager™ Block Diagram
tion Bass Manager™ Block Diagram
XLR 4
BNC 4
XLR 2
BNC 2
XLR 1
BNC 1
XLR 3
BNC 3
80
80
80
80
80
80
80
Power
on Mute
Low Cut PhaseParametric
Output 4,
Subframe A
Output 4,
Subframe B
Output 2,
Subframe A
Output 1,
Subframe A
Output 1,
Subframe B
Output 3,
Subframe A
Output 3,
Subframe B
Sum
0 45
90 135
0 … -12
+ 4 20 1
-12 120 8
180
Output
Level
P rotect
VOL
VOL
VOL
VOL
VOL
VOL
VOL
Σ
Coarse
Limiter /
S oft Clip
P ow er
120
80
Power
Amps
Σ
Fine
VOL
Signal
Generator
LFE Rou ting
and Gain
Digital A udio Error
80
Σ
Σ
Σ
RX / SRC /
Delay / DAC
RX / SRC /
Delay / DAC
RX / SRC /
Delay / DAC
RX / SRC /
Delay / DAC
The LFE channel mus t b e
placed on Input 2, S ubframe B
7.1 High Definition Bass Manager™ Block Diagram, with DIM 4 fitted
7.1 High Definition Bass Manager™ Block Diagram, with DIM 4 fitted7.1 High Definition Bass Manager™ Block Diagram, with DIM 4 fitted
7.1 High Definition Bass Manager™ Block Diagram, with DIM 4 fitted
The 7.1 High Definition Bass Manager™ is organized in to an Input Card (analog or digital), Output Card, Filter
Card, Amplifier Module(s), and Mains Card. There is 1 power amplifier and driver in the O 810 and 2 power
amplifiers and 2 drivers in the O 870. Refer to the detailed product specifications section for information on
amplifier power and driver types.

Table of Contents

Related product manuals