EasyManua.ls Logo

Kogan LET40T3 - Page 36

Kogan LET40T3
58 pages
Print Icon
To Next Page IconTo Next Page
To Next Page IconTo Next Page
To Previous Page IconTo Previous Page
To Previous Page IconTo Previous Page
Loading...
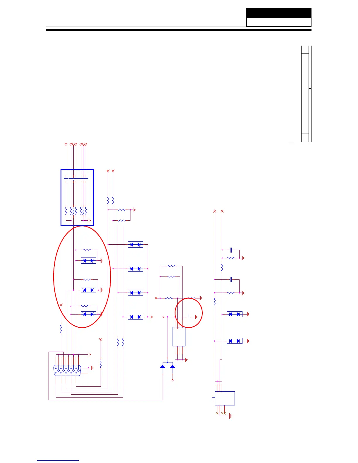
VGA_VS
UART-TX
RGB0-YPbPr_G-
RGB0_Pr+
UART-RX
RGB0-YPbPr_SOY
RGB0-YPbPr_R+
RGB0-YPbPr_B+
RGB0-YPbPr_R-
RGB0-YPbPr_B-
Close to MStar IC
Title
Size Document Number Rev
Date: Sheet
of
VGA
1.0
MSD209DG_BGA21x21_IC Demo board
A3
5 15Sunday, September 27, 2009
C805 47nF
R837
75
R804 47
R622
100
R800 470
R614
10K
R613 100
R610
12K
3
1
2
V600
BAV70L
R802 47
C804 47nF
R612
22K
C801 47nF
NC
1
NC
2
NC
3
GND
4
SDA
5
SCL
6
VCLK
7
VCC
8
N600
24C02
R607
10K
R805 47
R618
10K
Z601
NC/INPAQ-Vport
C802 47nF
R620
NC
R616
12K
Z605
ESD
R836
75
Z602
NC/INPAQ-Vport
5
10
4
9
3
8
2
7
1
15
14
13
12
11
6
16
17
CN20 VGA
R608 100
R806 47
C605
560pF
R609 100
C800 1nF
C440
0.1uF
R615 100
R619
10K
C803 47nF
R611
22K
Z607
ESD
C604
560pF
R623
100
Z603
NC/INPAQ-Vport
R838
75
C806 47nF
R801 47
Z608
ESD
Z606
ESD
R617
10K
Z600
NC/INPAQ-Vport
Z604
NC/INPAQ-Vport
1
1
2
2
3
3
4
4
5
5
6
6
7
7
CN21 VGA-R/L
R803 47
VGA-5V
5VAIN
VGA-5V
RGB0-YPbPr_B- 2
RGB0-YPbPr_B+ 2
RGB0-YPbPr_SOY 2
RGB0-YPbPr_R+ 2
RGB0-YPbPr_G- 2
RGB0-YPbPr_G+ 2
RGB0_VGA-HS 2
UART-TX 2
UART-RX 2
RGB0-YPbPr_R- 2
VGA-Lin 2
VGA-Rin 2
RGB0_VGA-VS 2
DDC-SCL
DDC-SDA
VGA-L
VGA-R
VGA-RinVGA-Rin
VGA-Lin
RGB0-YPbPr_G+
RGB0_Pr-
RGB0_Y-SOY
RGB0_Pb-
RGB0_Y+
RGB0_Y-
RGB0_Pb+
VGA_HS
RGB1-VGA_B
DDC-SCL
DDC-SDA
RGB1_VGA-G
RGB1-VGA_R
Service Manual
Model No.: LET40T3
35

Table of Contents