EasyManua.ls Logo

Kohler 10CCO

Kohler 10CCO
105 pages
To Next Page IconTo Next Page
To Next Page IconTo Next Page
To Previous Page IconTo Previous Page
To Previous Page IconTo Previous Page
Loading...
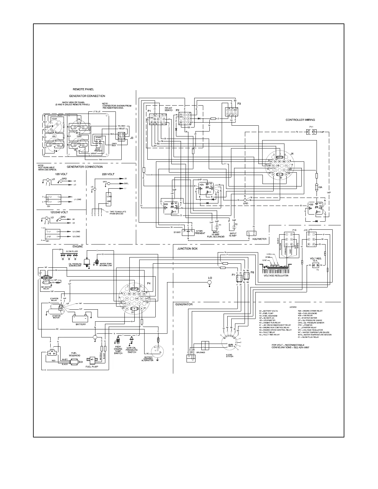
TP-5594 5/95 Wiring Diagrams 5-5
225671-F
Figure 5-5. Wiring Diagram (Point-to-Point) for 7/10CCO-RV Single Phase.

Table of Contents

Other manuals for Kohler 10CCO

Related product manuals