EasyManua.ls Logo

Kohler 10CCO - Single-Phase Wiring Diagrams

Kohler 10CCO
105 pages
Print Icon
To Next Page IconTo Next Page
To Next Page IconTo Next Page
To Previous Page IconTo Previous Page
To Previous Page IconTo Previous Page
Loading...
TP-5594 5/955-4 Wiring Diagrams
225671-F
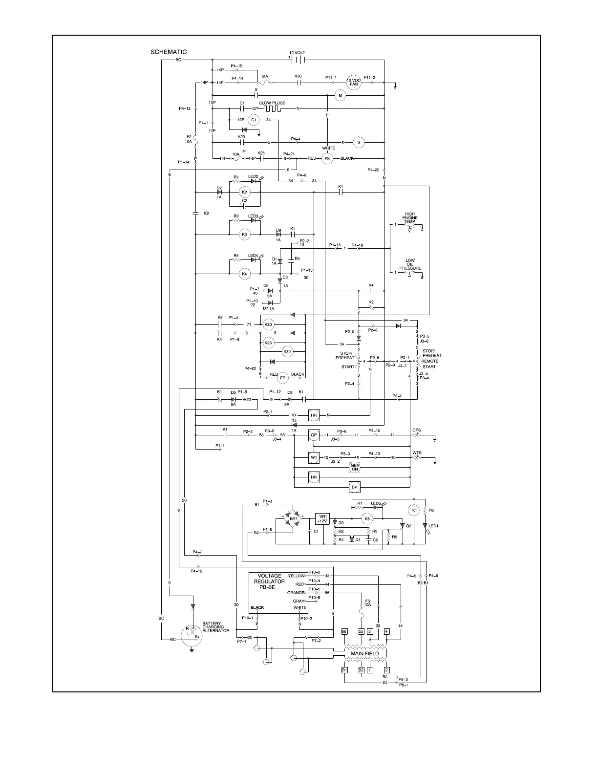
Figure 5-4. Wiring Diagram (Schematic) for 7/10CCO-RV Single Phase.

Table of Contents

Other manuals for Kohler 10CCO

Related product manuals