EasyManua.ls Logo

Kohler 10CCO - Page 81

Kohler 10CCO
105 pages
Print Icon
To Next Page IconTo Next Page
To Next Page IconTo Next Page
To Previous Page IconTo Previous Page
To Previous Page IconTo Previous Page
Loading...
TP-5594 5/95 Installation 6-25
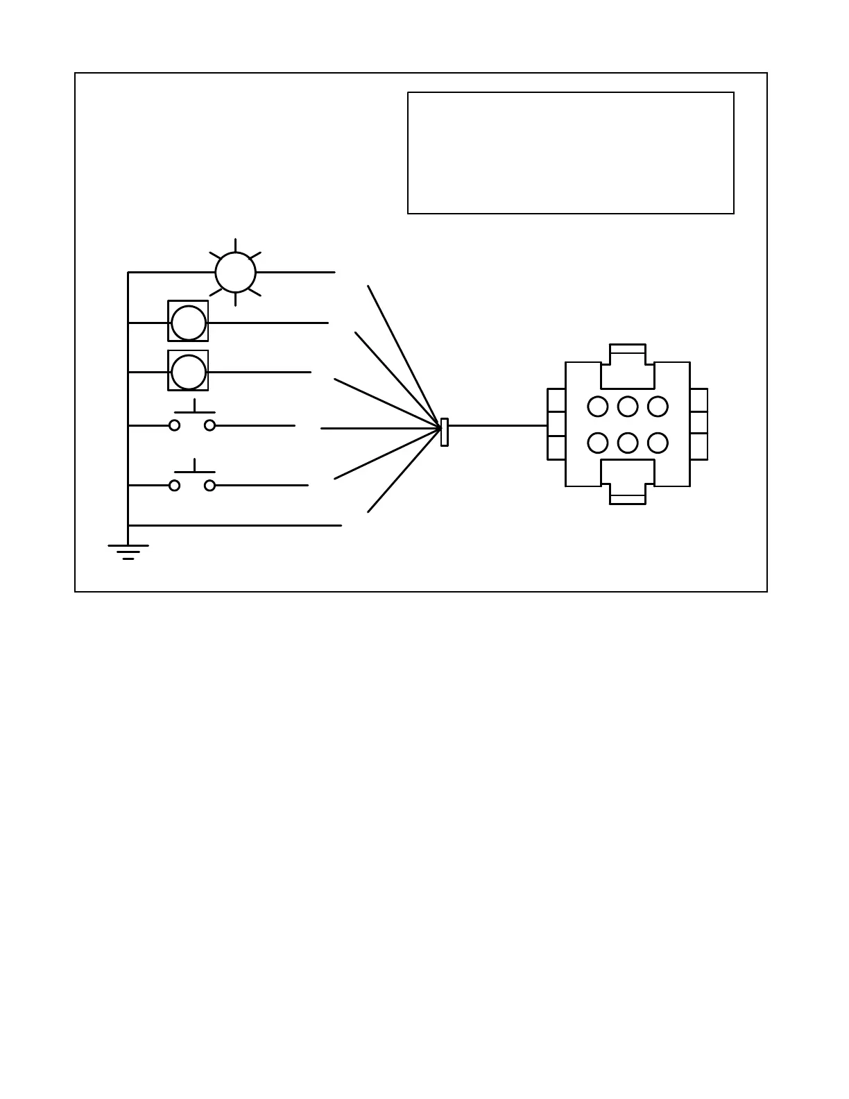
11
2
533
10
6 4 2
5 3 1
53
3
2
4
ON Lamp
Start
Stop-Preheat
Ground
Pin No. Lead No. Function
1 4 Ground
2 53 On Lamp
3 10 Water Temperature
4 3 Start
5 2 Stop-Preheat
6 11 Oil Pressure
P3
4
11
Oil Pressure
Gauge (if equipped)
10
Water Temperature
Gauge (if equipped)
Figure 6-24. Panel Wiring (P3 Wiring Harness)

Table of Contents

Other manuals for Kohler 10CCO

Related product manuals