EasyManua.ls Logo

Kohler 10EORDB

Kohler 10EORDB
48 pages
To Next Page IconTo Next Page
To Next Page IconTo Next Page
To Previous Page IconTo Previous Page
To Previous Page IconTo Previous Page
Loading...
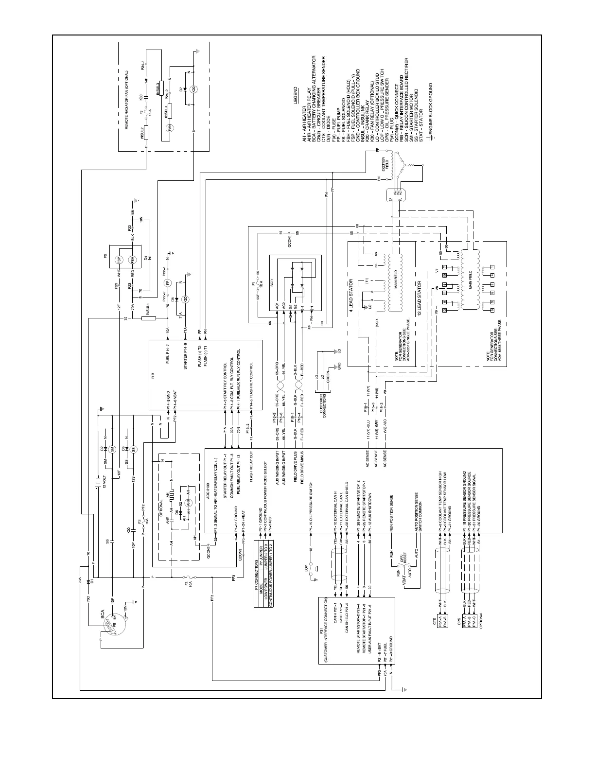
TP-6551 2/14 37Section 5 Wiring Diagrams
ADV7030A-D
Figure 5-2 Wiring Diagram, Schematic (10--20EOR(Z)DB and 9--16.5EFOR(Z)DB)

Related product manuals