EasyManua.ls Logo

Kohler 10EORDB

Kohler 10EORDB
48 pages
To Next Page IconTo Next Page
To Next Page IconTo Next Page
To Previous Page IconTo Previous Page
To Previous Page IconTo Previous Page
Loading...
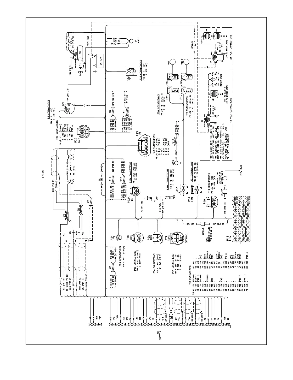
TP-6551 2/1440 Section 5 Wiring Diagrams
GM58298B-E
Figure 5-5 Wiring Diagram (30/40EORZDB and 25/33EFORZDB)

Related product manuals