EasyManua.ls Logo

Kohler 10EORDB

Kohler 10EORDB
48 pages
To Next Page IconTo Next Page
To Next Page IconTo Next Page
To Previous Page IconTo Previous Page
To Previous Page IconTo Previous Page
Loading...
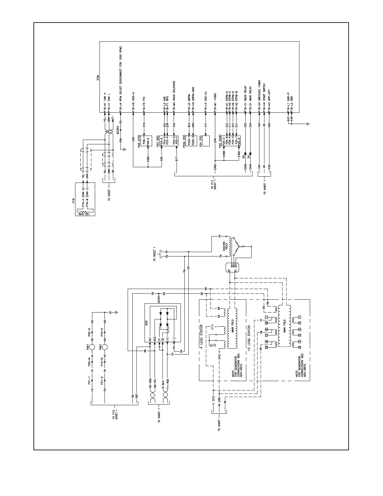
TP-6551 2/1442 Section 5 Wiring Diagrams
ADV7460B-D
Figure 5-7 Wiring Diagram, Schematic (30/40EORZDB and 25/33EFORZDB)

Related product manuals