EasyManua.ls Logo

Kohler 14EKOZD - Page 116

Kohler 14EKOZD
168 pages
Print Icon
To Next Page IconTo Next Page
To Next Page IconTo Next Page
To Previous Page IconTo Previous Page
To Previous Page IconTo Previous Page
Loading...
116 TP-7044 6/23
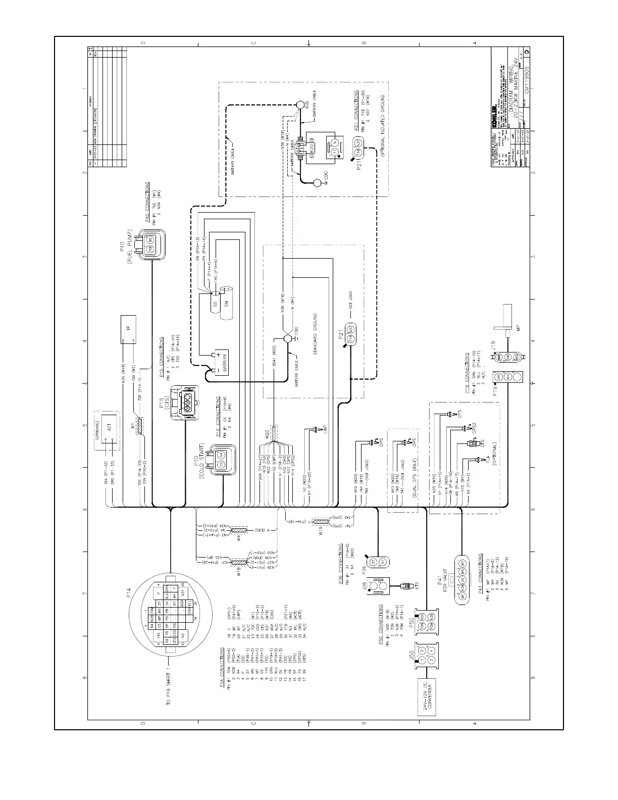
Figure 63 Wiring Diagram, Point-to-Point (Sheet 2 of 2) for 21/24EKOZD 24-Volt Models

Table of Contents

Other manuals for Kohler 14EKOZD

Related product manuals