EasyManua.ls Logo

Kohler 14EKOZD - Page 135

Kohler 14EKOZD
168 pages
Print Icon
To Next Page IconTo Next Page
To Next Page IconTo Next Page
To Previous Page IconTo Previous Page
To Previous Page IconTo Previous Page
Loading...
TP-7044 6/23 135
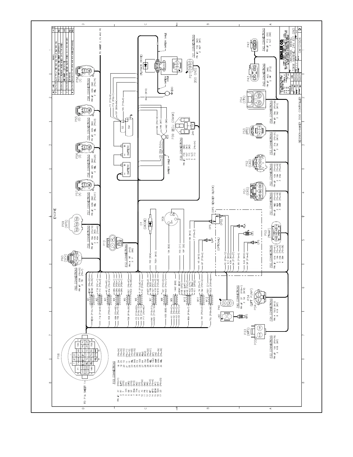
Figure 82 Wiring Diagram, Point-to-Point (Sheet 2 of 3) for 32EKOZD/28EFKOZD 24-Volt, Isolated Ground Models

Table of Contents

Other manuals for Kohler 14EKOZD

Related product manuals