EasyManua.ls Logo

Kohler 14EKOZD - Page 140

Kohler 14EKOZD
168 pages
Print Icon
To Next Page IconTo Next Page
To Next Page IconTo Next Page
To Previous Page IconTo Previous Page
To Previous Page IconTo Previous Page
Loading...
140 TP-7044 6/23
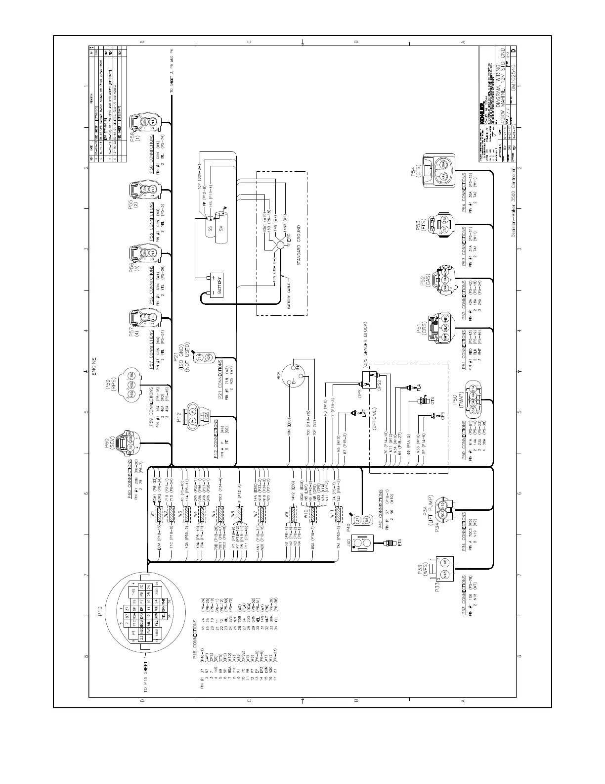
Figure 87 Wiring Diagram, Point-to-Point (Sheet 2 of 3) for 40EKOZD/35EFKOZD 12-Volt, Standard Ground Models

Table of Contents

Other manuals for Kohler 14EKOZD

Related product manuals