EasyManua.ls Logo

Kohler 14RESA - Page 34

Kohler 14RESA
36 pages
To Next Page IconTo Next Page
To Next Page IconTo Next Page
To Previous Page IconTo Previous Page
To Previous Page IconTo Previous Page
Loading...
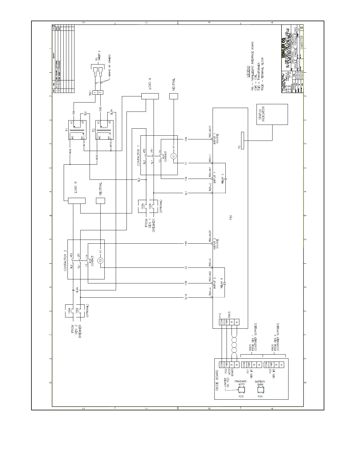
34 TT-1596 8/22
Figure 35 Schematic Diagram, GM85758, Sheet 1

Other manuals for Kohler 14RESA

Related product manuals