EasyManua.ls Logo

Kohler 14RESA

Kohler 14RESA
172 pages
To Next Page IconTo Next Page
To Next Page IconTo Next Page
To Previous Page IconTo Previous Page
To Previous Page IconTo Previous Page
Loading...
TP-6805 8/15
146
Section 8 Diagrams and Drawings
-
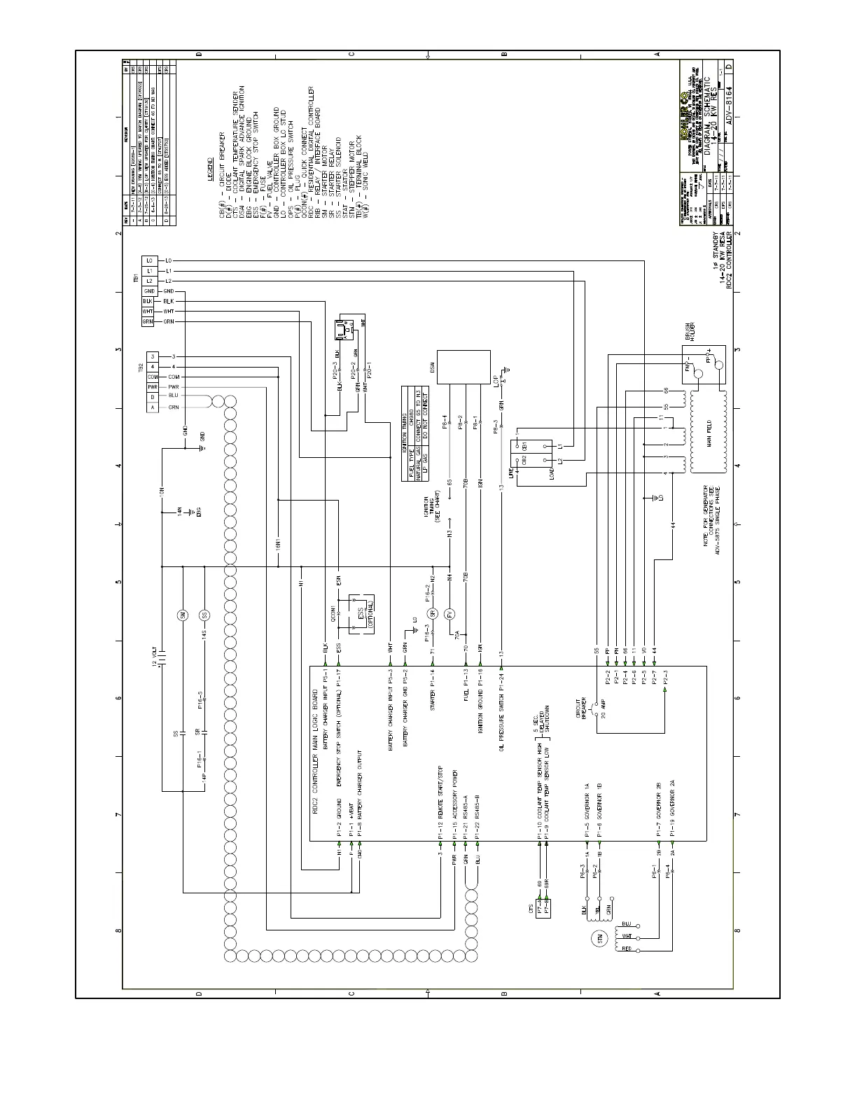
Figure 8-2 Schematic Diagram, ADV-8164-D

Table of Contents

Other manuals for Kohler 14RESA

Related product manuals