EasyManua.ls Logo

Kohler 16EKOZD

Kohler 16EKOZD
168 pages
To Next Page IconTo Next Page
To Next Page IconTo Next Page
To Previous Page IconTo Previous Page
To Previous Page IconTo Previous Page
Loading...
TP-7044 6/23 109
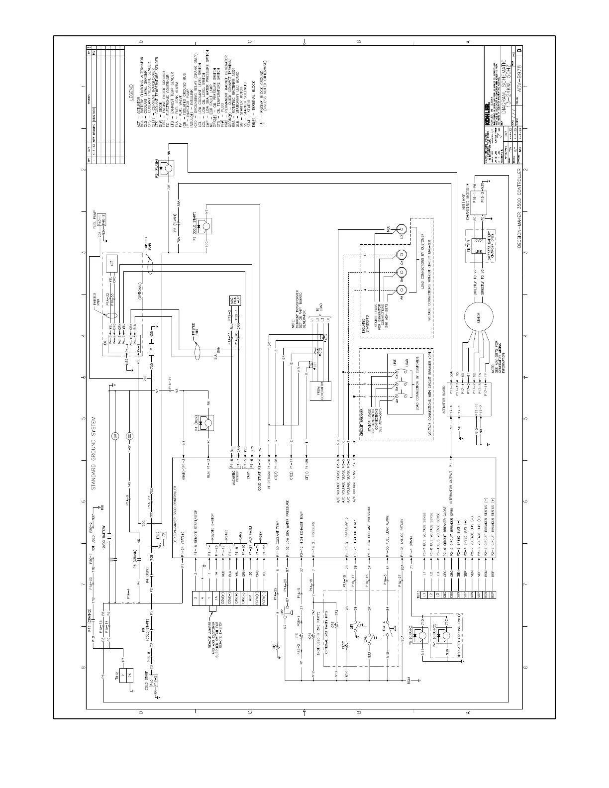
Figure 56 Wiring Diagram, Schematic (Sheet 1 of 2) for 12/13.5/17/18/20.5EFKOZD Models

Table of Contents

Other manuals for Kohler 16EKOZD

Related product manuals