EasyManua.ls Logo

Kohler 17.5CCFOZ - Page 74

Kohler 17.5CCFOZ
109 pages
Print Icon
To Next Page IconTo Next Page
To Next Page IconTo Next Page
To Previous Page IconTo Previous Page
To Previous Page IconTo Previous Page
Loading...
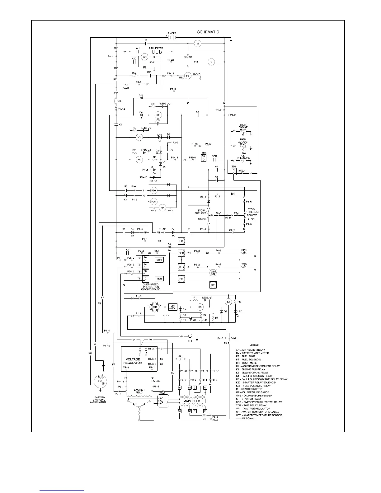
TP-5592 7/965-8 Wiring Diagrams
229937-A
Figure 5-7. Schematic Wiring Diagram13.5/18.5/21CCOZ and 11/15/16.5/18CCFOZ
(1-Phase Models)

Table of Contents

Related product manuals