EasyManua.ls Logo

Kohler 20RCA

Kohler 20RCA
92 pages
To Next Page IconTo Next Page
To Next Page IconTo Next Page
To Previous Page IconTo Previous Page
To Previous Page IconTo Previous Page
Loading...
80 TP-7091 4/23
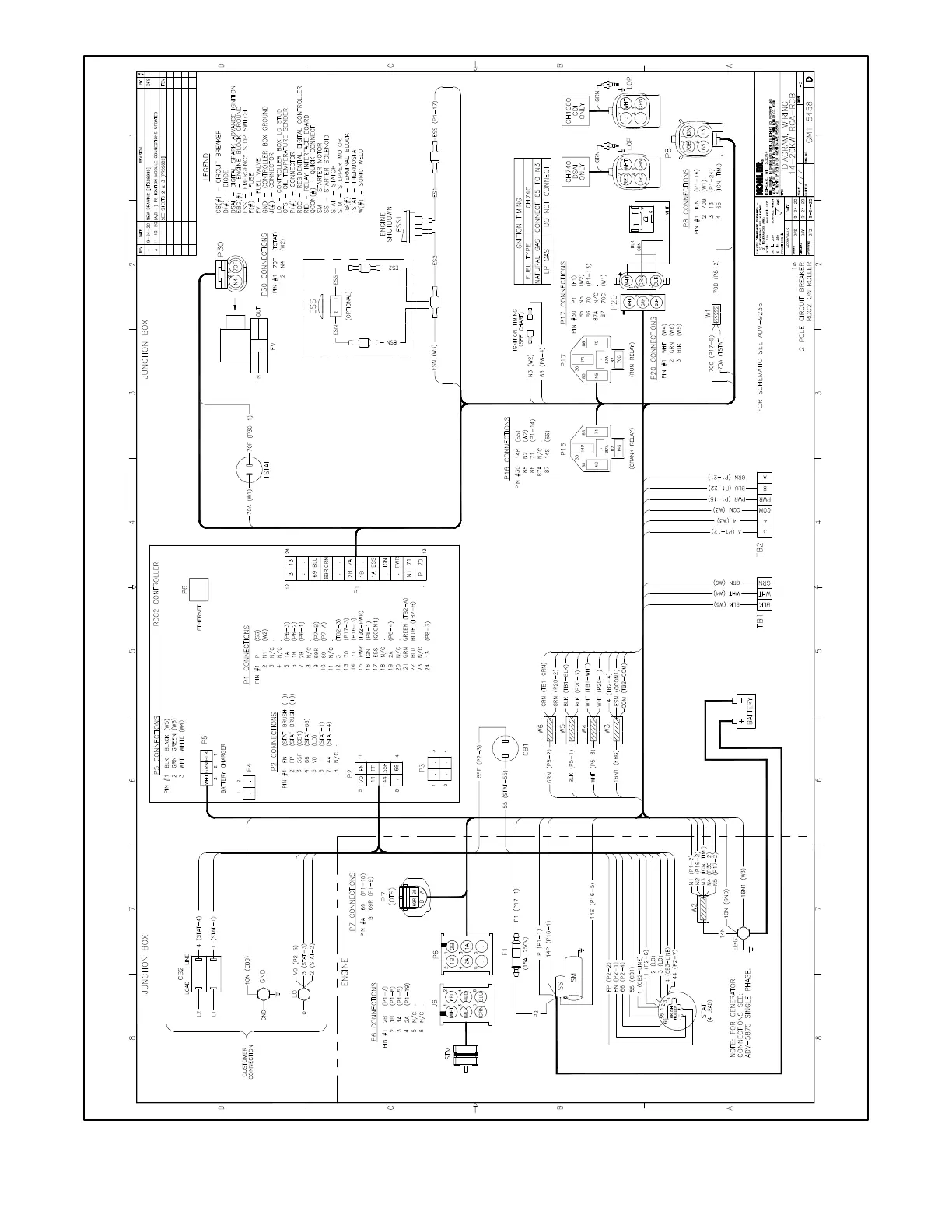
Figure 80 Wiring Diagram, 14/20RCA/L, GM115458 Sheet 1, Single Phase, 2-Pole Circuit Breaker

Other manuals for Kohler 20RCA

Related product manuals