EasyManua.ls Logo

Kohler 20RCA

Kohler 20RCA
36 pages
To Next Page IconTo Next Page
To Next Page IconTo Next Page
To Previous Page IconTo Previous Page
To Previous Page IconTo Previous Page
Loading...
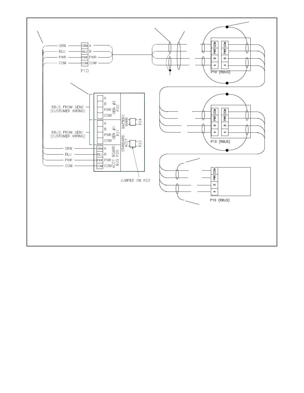
12 TT-1596 8/22
PIM
Load
shed kit
RXT
4
Note: See Figure 15 for maximum total cable length.
Note: The APM, R XT, PIM, and/or load shed kit may be
equipped with an alternate single-row connector for
P10. See TP- 7239 for instructions to splice the PWR
and COM connections.
COM
PWR
A
B
3
5
6
COM
PWR
A
B
COM
PWR
A
B
6
1
2
GND
APM PIB
DIODE BOARD
1. Factory connection, diode board to APM PIB.
2. Customer connections, generator 1 and generator 2 RDC2 controllers to APM diode board
3. Connect one end of each cable shield to GROUND.
4. Communication cable Belden #9402 or equivalent 20 AWG shielded, twisted-pair cable
5. Connect shields together .
6. Leave one end of each cable shield disconnected at the last device.
Figure 16 Communication (RBUS) Connection Details

Other manuals for Kohler 20RCA

Related product manuals