EasyManua.ls Logo

Kohler 20RCA

Kohler 20RCA
36 pages
To Next Page IconTo Next Page
To Next Page IconTo Next Page
To Previous Page IconTo Previous Page
To Previous Page IconTo Previous Page
Loading...
34 TT-1596 8/22
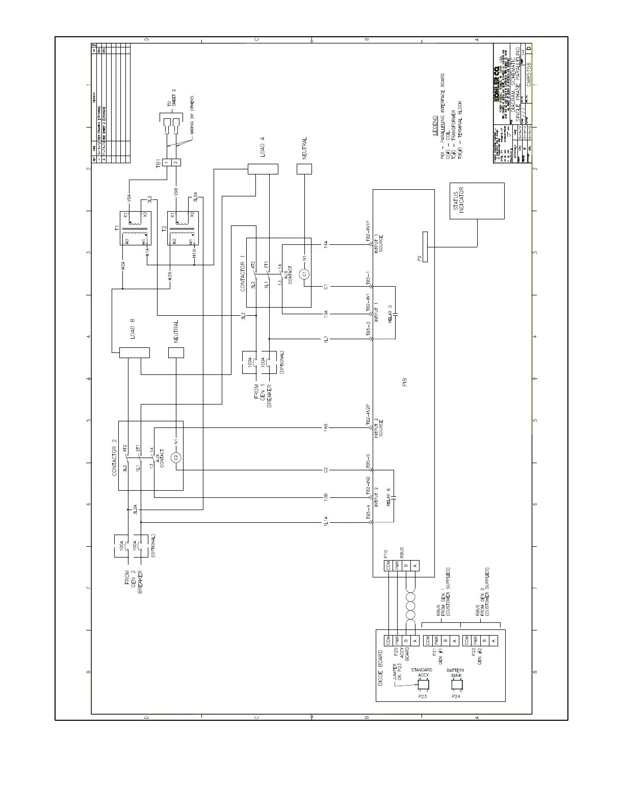
Figure 35 Schematic Diagram, GM85758, Sheet 1

Other manuals for Kohler 20RCA

Related product manuals