EasyManua.ls Logo

Kohler 38RCLB

Kohler 38RCLB
128 pages
To Next Page IconTo Next Page
To Next Page IconTo Next Page
To Previous Page IconTo Previous Page
To Previous Page IconTo Previous Page
Loading...
TP-6907 5/16 111
Section 8 Diagrams and Drawings
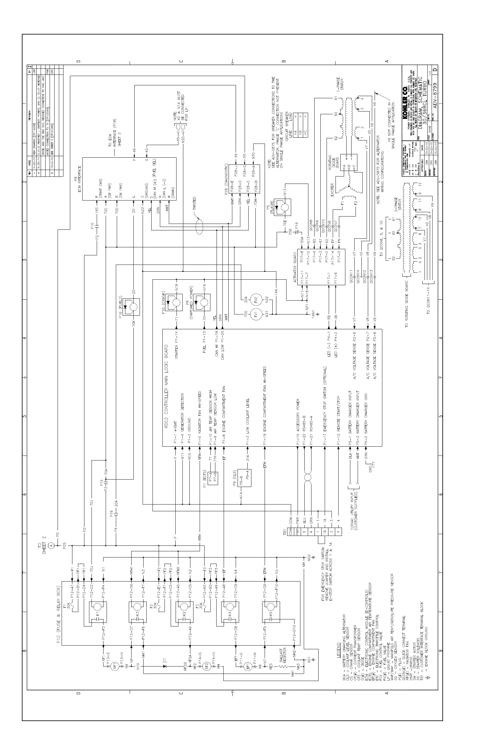
Figure 8-8 Schematic Diagram, 30RCL/38RCLA Generator Set, ADV-8799, Sheet 1 of 2

Table of Contents

Other manuals for Kohler 38RCLB

Related product manuals