EasyManua.ls Logo

Kohler 38RCLB

Kohler 38RCLB
128 pages
To Next Page IconTo Next Page
To Next Page IconTo Next Page
To Previous Page IconTo Previous Page
To Previous Page IconTo Previous Page
Loading...
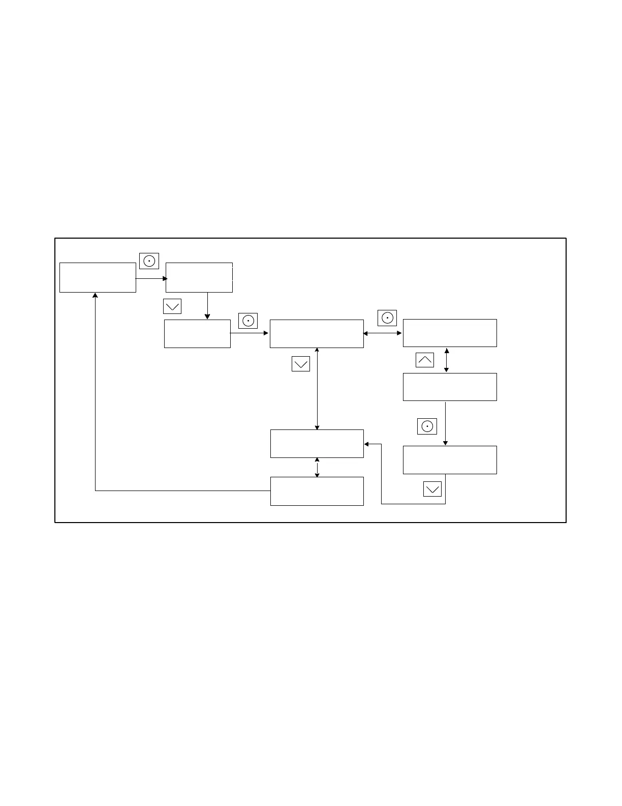
TP-6907 5/16 53Section 3 Controller
3.8 Setting the OnCue Plus
Password
If the Kohlerr OnCuer Plus Generator Management
System is used to monitor the generator set, reset the
OnCue password as described below.
Refer to Figure 3-16 during this procedure.
1. Press Select and then press the down arrow button
to navigate to the networking Information menu.
2. Press Select. Networking Status is displayed.
3. Press the Down arrow button. Networking
Configuration is displayed.
4. Press Select. Reset OnCue Password is
displayed.
5. Press and HOLD the Select button until Reset
OnCue Password? No appears. The word No will
flash.
6. Press the Up arrow button to change the word No to
Yes.
7. Press Select to reset the password. The generator
set serial number and new password are displayed
for 10 seconds. Be sure to write down the new
password for entry into the OnCue Plus program.
tp6804
<---- Return
DHCP:
Enabled
Reset OnCue
Password
Reset OnCue
Password? No
S/N: 1234567
New PW: 12345
Press Select to enter YES
or NO as displayed. New
password is displayed for
approximately 10 seconds.
Networking
Configuration
HOLD
Reset OnCue
Password? Yes
UP arrow for YES,
Down arrow for NO.
Networking---->
Information
Networking---->
Status
Figure 3-16 Setting the OnCue Plus Password, RDC2

Table of Contents

Other manuals for Kohler 38RCLB

Related product manuals