EasyManua.ls Logo

Kohler 38RCLB

Kohler 38RCLB
128 pages
To Next Page IconTo Next Page
To Next Page IconTo Next Page
To Previous Page IconTo Previous Page
To Previous Page IconTo Previous Page
Loading...
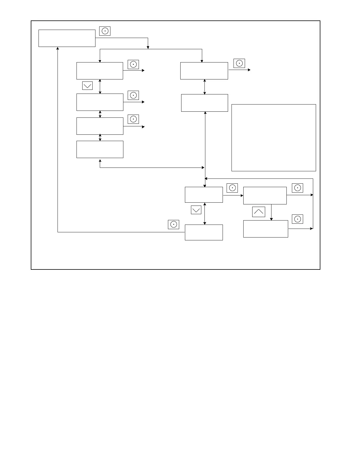
TP-6907 5/16 51Section 3 Controller
Volts L1--L2:
240 V
Volts L2--L3:
240 V
Volts L3--L1:
240 V
Generator ---->
Metering
Reset
Calibration
<---- Return
Reset
Calibration? No
Volts:
240V
Three-phase Single-phase
tp6811
Reset
Calibration? Yes
Frequency:
60.0 Hz
Frequency:
60.0 Hz
1. Press Select when the voltage is
displayed. The voltage flashes.
2. Press the Up or Down arrow
button to change the setting.
3. Press the Select button to save the
setting.
4. Press the down arrow button to
move to the next menu.
Calibrate
Calibrate
Calibrate
Calibrate
Note: Pressing select when Reset Calibration: Yes is displayed will discard
the changes and reset the calibration to the original settings.
To Calibrate Voltage:
Figure 3-13 Voltage Calibration

Table of Contents

Other manuals for Kohler 38RCLB

Related product manuals