EasyManua.ls Logo

Kohler 6.5-27EFOZD - Page 88

Kohler 6.5-27EFOZD
104 pages
Print Icon
To Next Page IconTo Next Page
To Next Page IconTo Next Page
To Previous Page IconTo Previous Page
To Previous Page IconTo Previous Page
Loading...
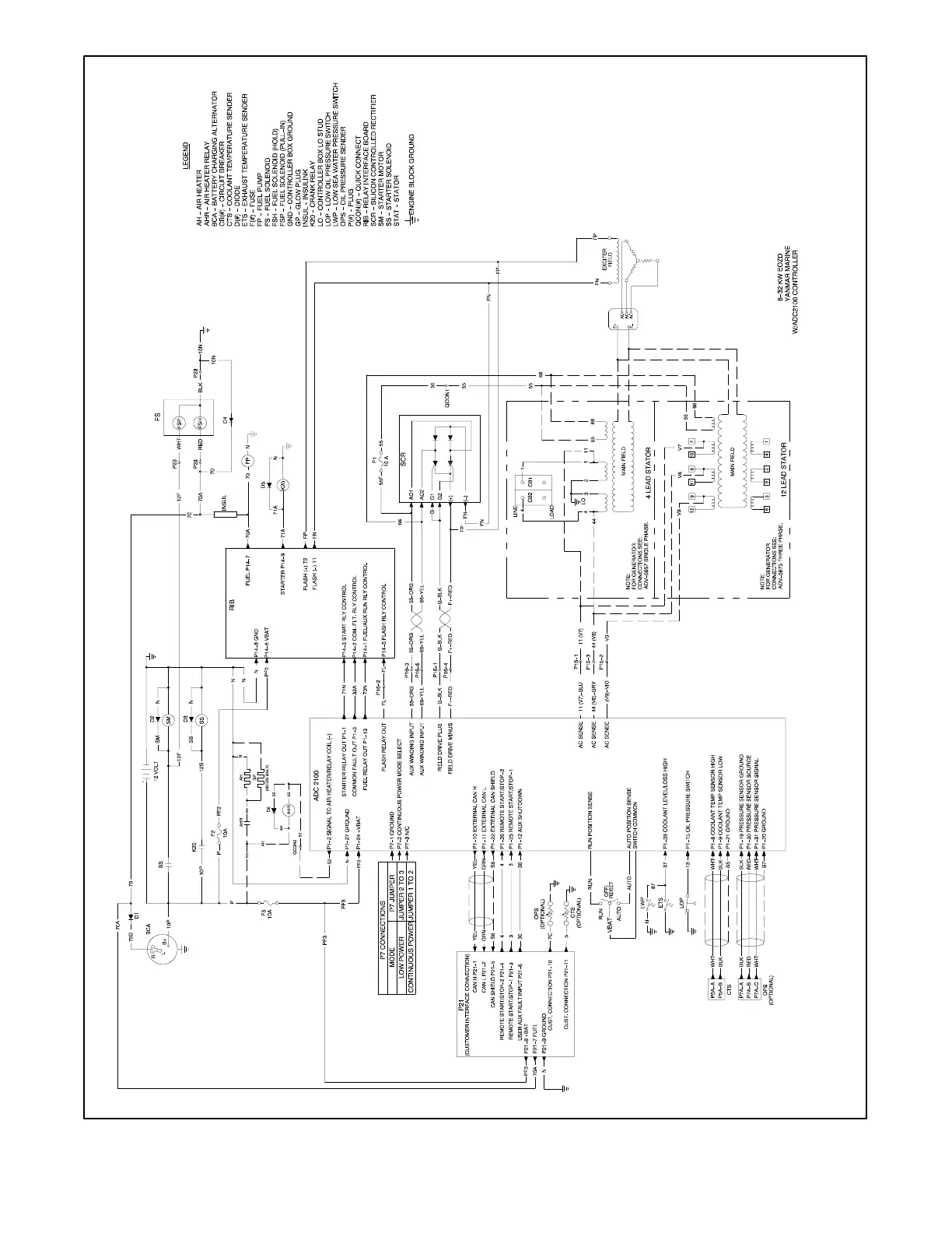
TP-6255 7/0688 Section 10 Wiring Diagrams
ADV6845A-F
Figure 10-3 Wiring Schematic for All Models

Table of Contents

Other manuals for Kohler 6.5-27EFOZD

Related product manuals