EasyManua.ls Logo

Kohler 8-32EOZD

Kohler 8-32EOZD
104 pages
To Next Page IconTo Next Page
To Next Page IconTo Next Page
To Previous Page IconTo Previous Page
To Previous Page IconTo Previous Page
Loading...
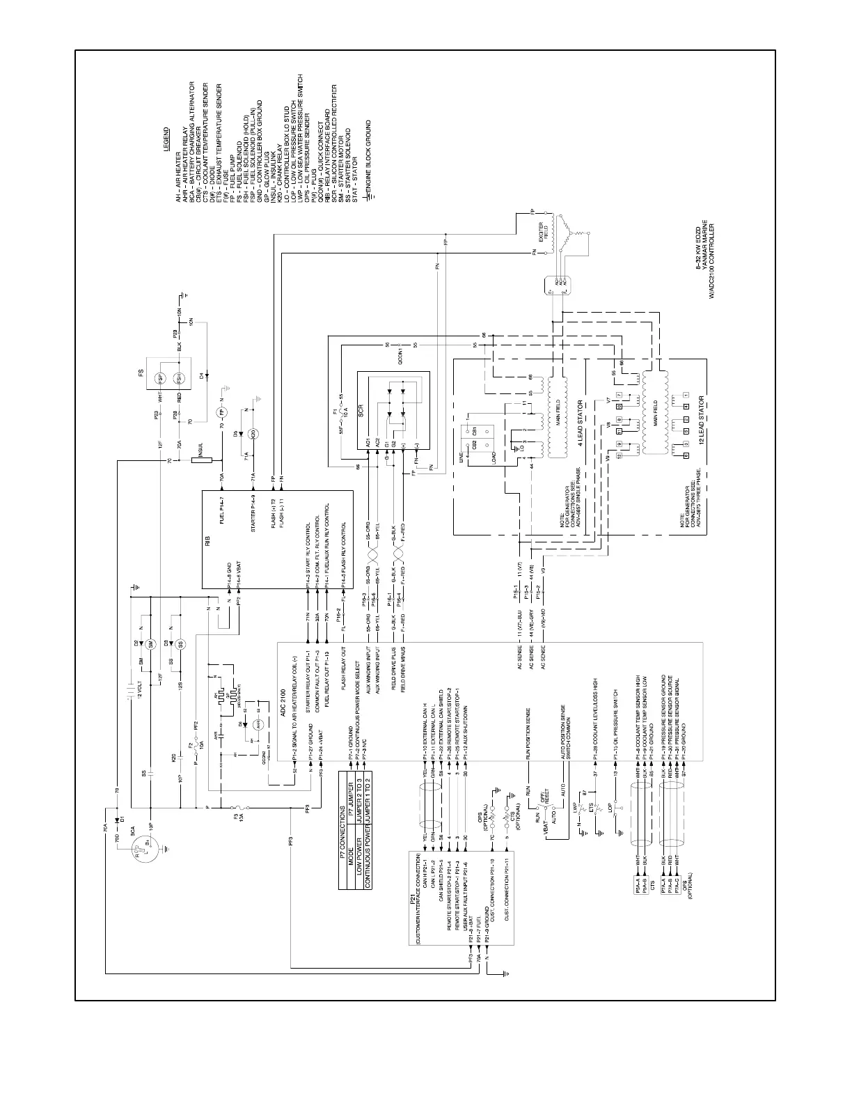
TP-6255 7/0688 Section 10 Wiring Diagrams
ADV6845A-F
Figure 10-3 Wiring Schematic for All Models

Table of Contents

Other manuals for Kohler 8-32EOZD

Related product manuals