EasyManua.ls Logo

Kohler 8.5RES

Kohler 8.5RES
132 pages
To Next Page IconTo Next Page
To Next Page IconTo Next Page
To Previous Page IconTo Previous Page
To Previous Page IconTo Previous Page
Loading...
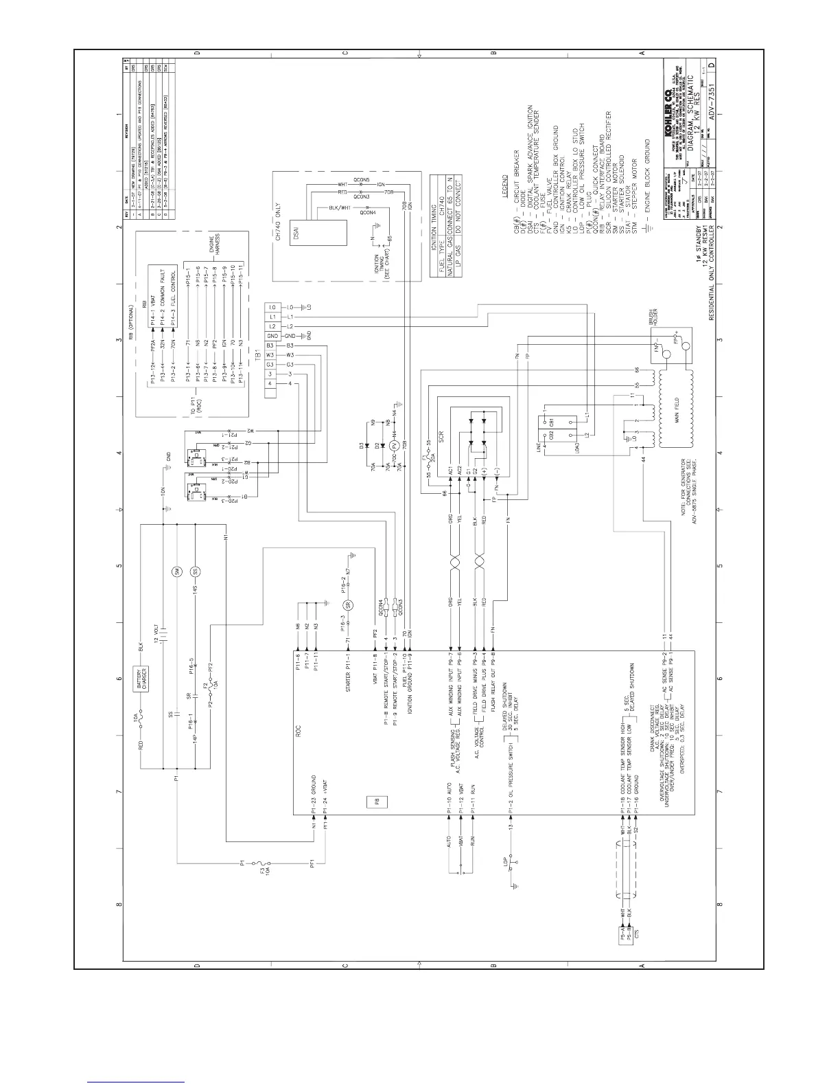
TP-6196 10/09114 Section 8 Wiring Diagrams
Figure 8-6 Schematic Diagram, Single-Phase, 12RESL/RESM1/RESNT w/DC-RET Controller, ADV-7351-D

Table of Contents

Other manuals for Kohler 8.5RES

Related product manuals