EasyManua.ls Logo

Kohler Command PRO CH745 - EFI Wiring Diagram 6-Terminal Connector (Engines with Separate MAP Sensor)

Kohler Command PRO CH745
140 pages
Print Icon
To Next Page IconTo Next Page
To Next Page IconTo Next Page
To Previous Page IconTo Previous Page
To Previous Page IconTo Previous Page
Loading...
EFI SYSTEM-ECH
38
24 690 01 Rev. KKohlerEngines.com
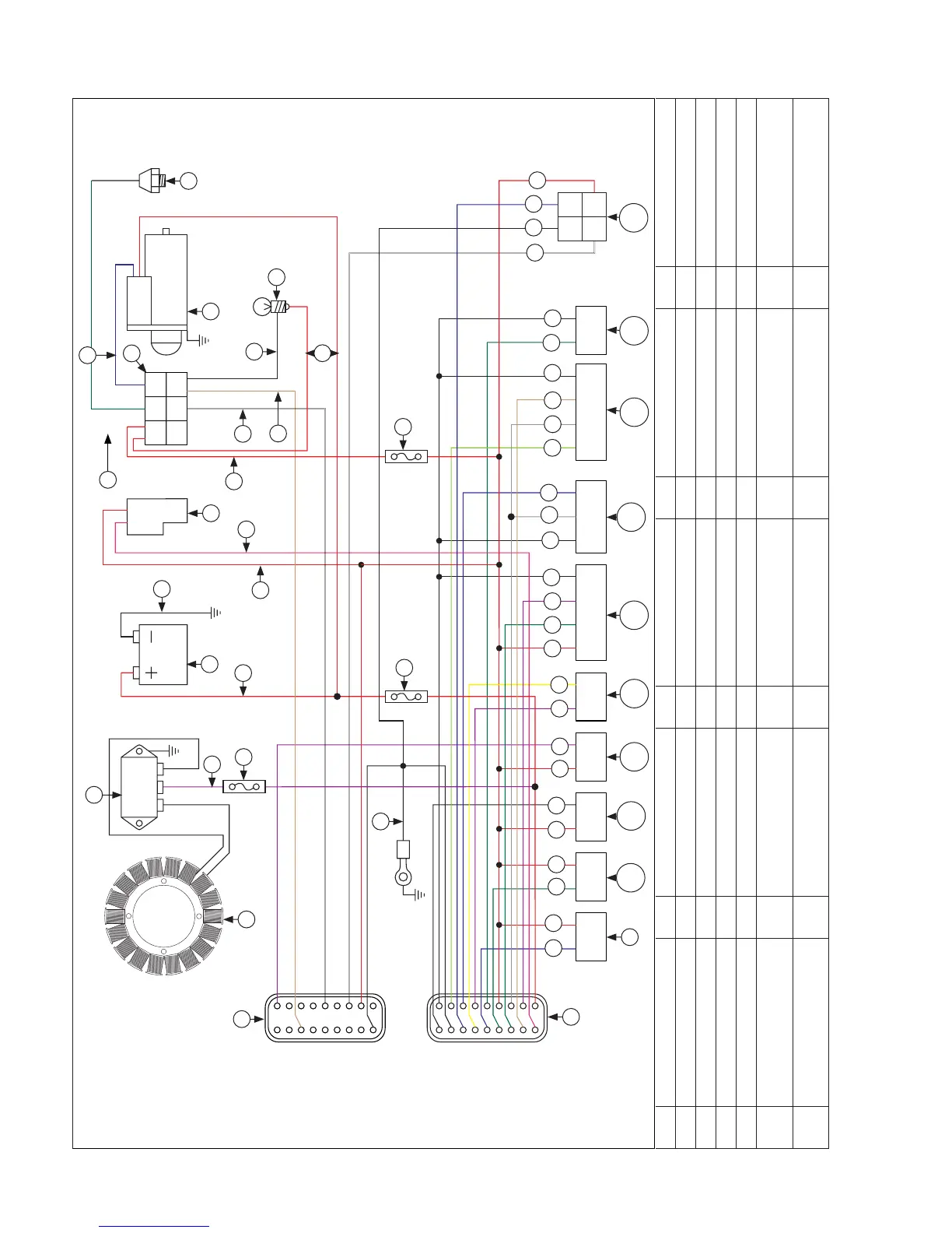
EFI Wiring Diagram 6-Terminal Connector (engines with TMAP sensor)
AB AB ABC DABC 1 2 A B C
12
19
1018
19
1018
312
6
4
5
12
3
4
312
12312
4
A Red B Red/Black C Red/White D Yellow E Light Green
F Dark Green G Dark Blue H Purple I Pink J Ta n
K White L Grey M Black N Stator O Recti er-Regulator
P 30A Fuse Q Battery R Fuel Pump S 6-Terminal Connector T Starter Motor
U Oil Pressure Switch V MIL (Optional) W 10A Fuse X Black Connector Y Grey Connector
Z Fuel Injector #1 AA Fuel Injector #2 AB Ignition Coil #1 AC Ignition Coil #2 AD
Crankshaft Position
Sensor
AE Oxygen Sensor AF
Throttle Position
Sensor
AG TMAP Sensor AH
Oil Temperature
Sensor
AI Diagnostic Connector
C
J
G B
F B B M
B H
H
D
B F H
M
M
L
G
L
ME
F
MJ
K
M G
B
K
W
A
P
H
I
V
W
O
Y
M
M
N
X
Q
R
T
A
U
Z
AA
AB
AC
AD
AE
AF
AG
AH
AI
G
F
M
B
S

Table of Contents

Related product manuals