EasyManua.ls Logo

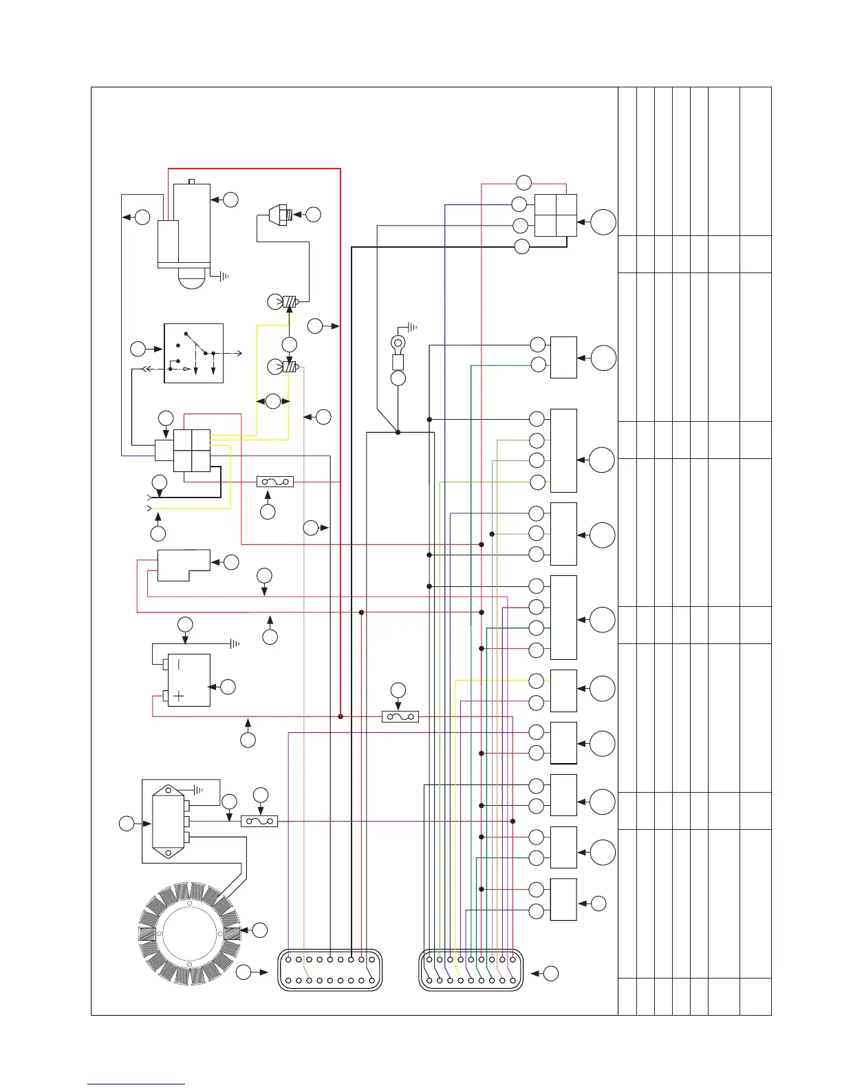
Kohler Command PRO CH745 - EFI Wiring Diagram 5-Terminal Connector and Optional Key Switch (Engines with TMAP Sensor)

Kohler Command PRO CH745
140 pages
Print Icon
To Next Page IconTo Next Page
To Next Page IconTo Next Page
To Previous Page IconTo Previous Page
To Previous Page IconTo Previous Page
Loading...
3924 690 01 Rev. K KohlerEngines.com
EFI SYSTEM-ECH
EFI Wiring Diagram 5-Terminal Connector and Optional Key Switch (engines with TMAP sensor)
AB AB ABC DABC 12 ABC
12
19
1018
19
1018
ED
A
C
B
12
3
4
312
312
4
12
W
B
A
D
MW
K
I
M
S
P
H
Y
O
C
A
K
X
N
Q
R
J
G
U
T
G B F B B M B H H D B F H M M L G
L M
E
F
M
J
K
M
G
B
Z
AI
AH
AG
AFAEADACAB
AA
V
D
A Red B Red/Black C Red/White D Yellow E Light Green
F Dark Green G Dark Blue H Purple I Pink J Ta n
K White L Grey M Black N Stator O Recti er-Regulator
P 30A Fuse Q Battery R Fuel Pump S 5-Terminal Connector T Starter Motor
U Oil Pressure Switch V MIL (Optional) W 10A Fuse X Black Connector Y Grey Connector
Z Fuel Injector #1 AA Fuel Injector #2 AB Ignition Coil #1 AC Ignition Coil #2 AD
Crankshaft Position
Sensor
AE Oxygen Sensor AF
Throttle Position
Sensor
AG TMAP Sensor AH
Oil Temperature
Sensor
AI Diagnostic Connector

Table of Contents

Related product manuals