EasyManua.ls Logo

Kohler Command PRO CH745 - Page 79

Kohler Command PRO CH745
140 pages
Print Icon
To Next Page IconTo Next Page
To Next Page IconTo Next Page
To Previous Page IconTo Previous Page
To Previous Page IconTo Previous Page
Loading...
7924 690 01 Rev. K KohlerEngines.com
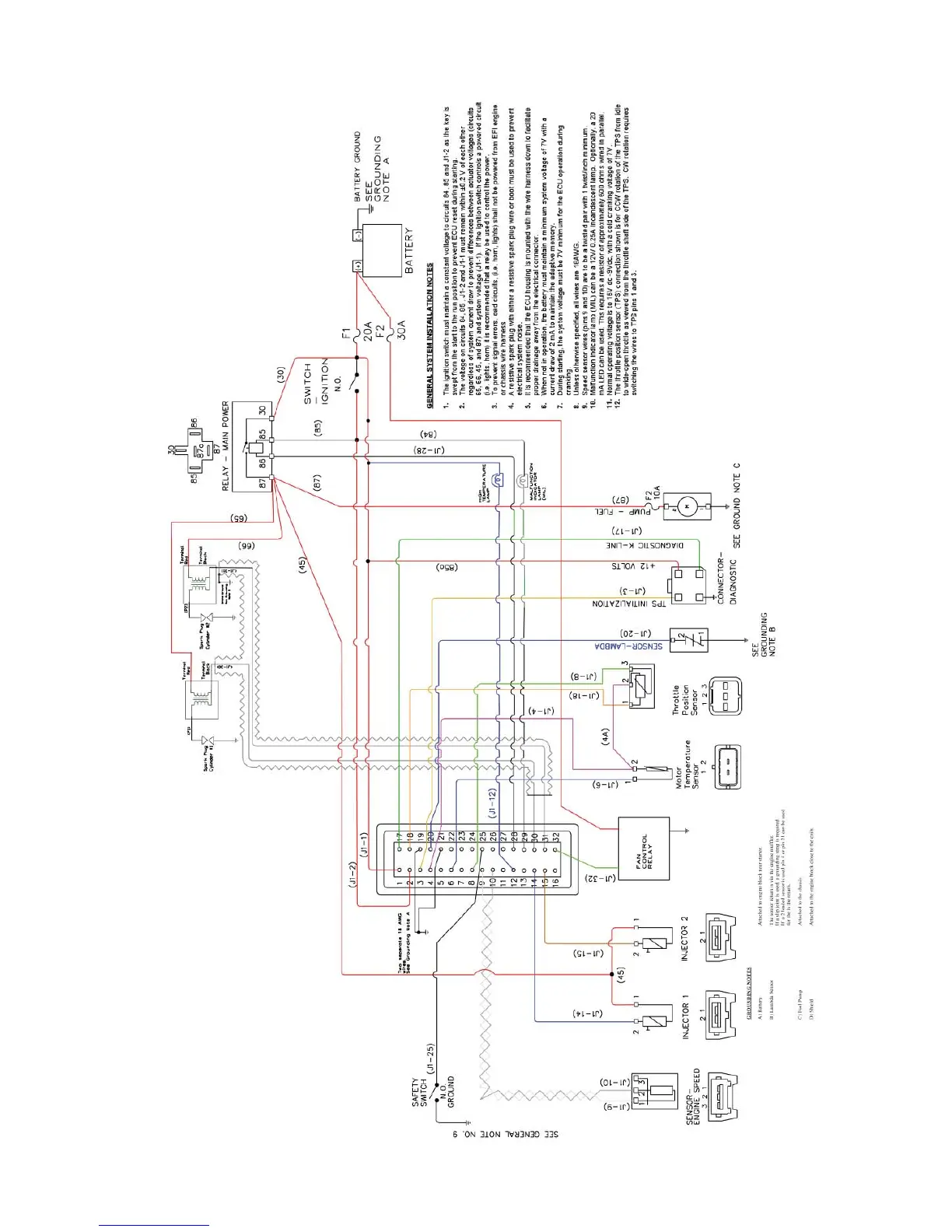
EFI SYSTEM-BOSCH

Table of Contents

Related product manuals