EasyManua.ls Logo

Kohler Command PRO EFI - Page 12

Kohler Command PRO EFI
204 pages
Print Icon
To Next Page IconTo Next Page
To Next Page IconTo Next Page
To Previous Page IconTo Previous Page
To Previous Page IconTo Previous Page
Loading...
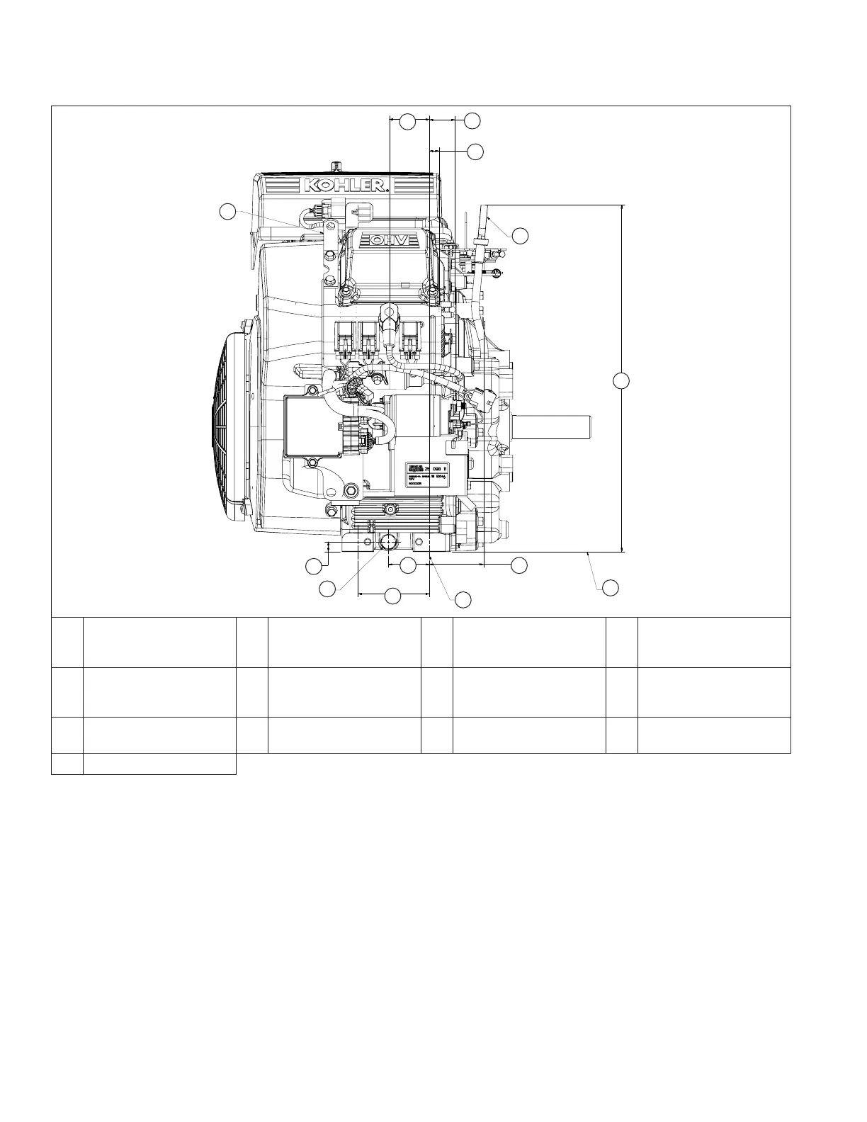
Speci cations
12 24 690 01 Rev. SKohlerEngines.com
Engine Dimensions with Low-Pro le Air Cleaner-Starter Side
A
B
C
D
E
G
F
H
I
J
K
L
M
A
50.0 mm (1.969 in.)
Center Line Spark
Plug
B
12.0 mm (0.472 in.)
Exhaust Port #1
C
32.0 mm (1.260 in.)
Exhaust Port #2
D Dipstick
E
432.58 mm
(17.031 in.)
F
Engine Mounting
Surface
G
67.50 mm (2.657 in.)
Mu er Mounting
Bosses
H
Center Line Mounting
Hole "A"
I 89.0 mm (3.504 in.) J 51.0 mm (2.008 in.) K
Oil Drain Plug 3/8 in.
NPT
L 12.28 mm (0.483 in.)
M Lift Strap

Related product manuals