EasyManua.ls Logo

Kohler Command PRO EFI - Page 135

Kohler Command PRO EFI
204 pages
Print Icon
To Next Page IconTo Next Page
To Next Page IconTo Next Page
To Previous Page IconTo Previous Page
To Previous Page IconTo Previous Page
Loading...
13524 690 01 Rev. S KohlerEngines.com
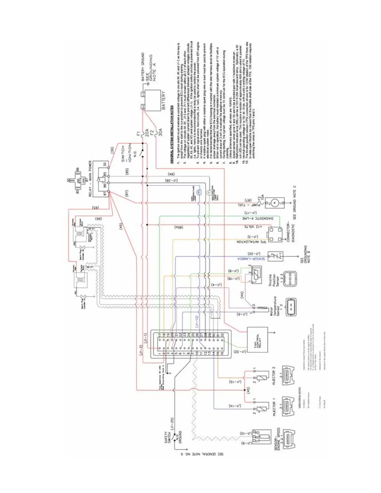
EFI SYSTEM-BOSCH

Related product manuals