EasyManua.ls Logo

Kohler Courage SV730 - Fixed Ignition System; Wiring Diagram-Electronic CD Fixed Ignition Timing System Diagram

Kohler Courage SV730
84 pages
Print Icon
To Next Page IconTo Next Page
To Next Page IconTo Next Page
To Previous Page IconTo Previous Page
To Previous Page IconTo Previous Page
Loading...
Electrical System
3532 690 01 Rev. G KohlerEngines.com
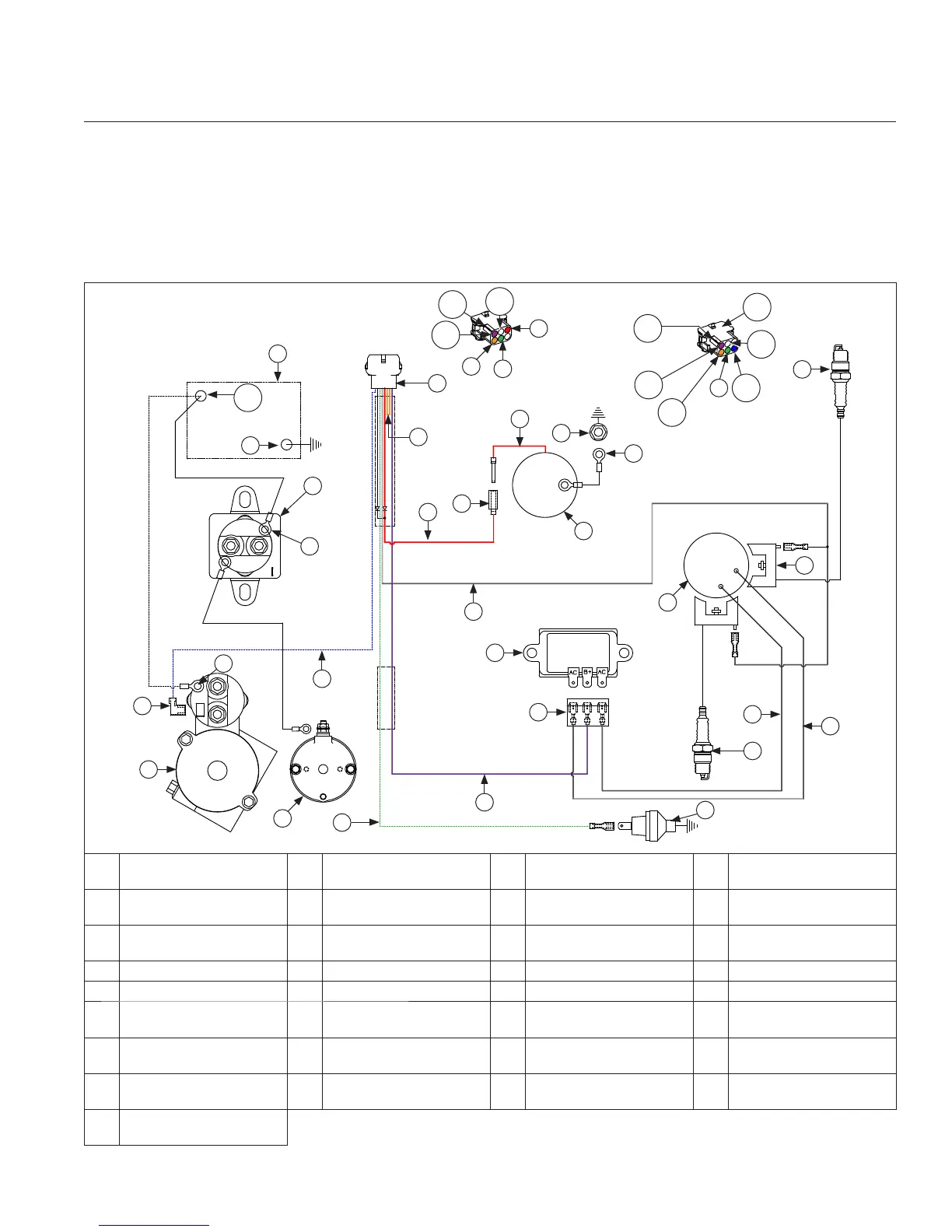
Fixed Ignition System
This system uses a capacitive discharge (CD) coil. Ignition timing and spark remains constant regardless of engine
speed. Timing of spark is controlled by location of ywheel magnet group as referenced to engine TDC. A typical xed
ignition system consists of:
1 magnet assembly which is permanently af xed to ywheel.
2 electronic capacitive-discharge ignition modules which mount on engine crankcase.
1 kill switch (or key switch) which grounds modules to stop engine.
2 spark plugs.
Wiring Diagram-Electronic CD Fixed Ignition Timing System Diagram
H
Q
L
G
AD
D
D
S
T
H
M
K
F
D
J
I
G
E
C
B
A
U
V
W
X
Y
Z
S
R
P
Q
Q
N
O
AA
AB
AE
AF
AF
AC
AB
AC
AG
A Starter Solenoid Tang B
Solenoid Shift
Starter Assembly
C
Inertia Driver
Starter Assembly
D Green
E Violet (Charging) F Oil Sentry
TM
(Optional) G Spark Plug(s) H
White
(AC Charging Leads)
I
Recti er-Regulator
Connector
J Recti er-Regulator K
Flywheel Stator
Assembly
L Ignition Module(s)
M Intake Manifold Screw N Ground O Carburetor P White (Ignition Kill)
Q Red R Solenoid Lead S Orange T Connector
U Blue V Starter Solenoid Stud W Relay Stud X
Relay Cranking
(Customer Supplied)
Y Battery Negative Z Battery AA Battery Positive AB
Violet (shown)
or Orange
AC White AD
Orange (shown)
or Red
AE Blue (shown) or Red AF Polarity Rib
AG
Solenoid Shift Starter
Assembly (Optional)

Table of Contents

Related product manuals