EasyManua.ls Logo

Kohler Curtis AC F4-A - Speed Mode Express; Speed Mode

Kohler Curtis AC F4-A
277 pages
Print Icon
To Next Page IconTo Next Page
To Next Page IconTo Next Page
To Previous Page IconTo Previous Page
To Previous Page IconTo Previous Page
Loading...
4 — PROGRAMMABLE PARAMETERS
pg. 49
Return to TOC Curtis AC F2-A, F4-A, F6-A Motor Controllers – FOS 4.5 – April 2022
CONTROL MODE SELECT
PARAMETER ALLOWABLE RANGE DEFAULT DESCRIPTION
Control Mode Select Enumerated 0 This parameter determines which motor control method will be in
effect when controlling the motor:
0 = Speed Mode Express
1 = Speed Mode
2 = Torque Mode
Consult Curtis for these Control Modes:
3 = Direct Torque Mode (Nm)
1
4 = Simplied Torque Mode
2
5 = Steering Mode
3
6 = PMDC open loop voltage/speed control
7 = Servo Speed Mode
Control_Mode_Select 0 – 7
0x3080 0x00
Use speed and torque modes for either traction or pump motors. e speed modes are typically for
material handling vehicle applications. Torque mode is for on-road vehicle applications.
Note: Tune using the specic control mode, speed or torque, but not both. For example, if adjusting a
torque control parameter while Speed Mode or Speed Mode Express has been selected as the tuning
mode, the (CIT/1313) programmer will show the new setting but it will have no eect.
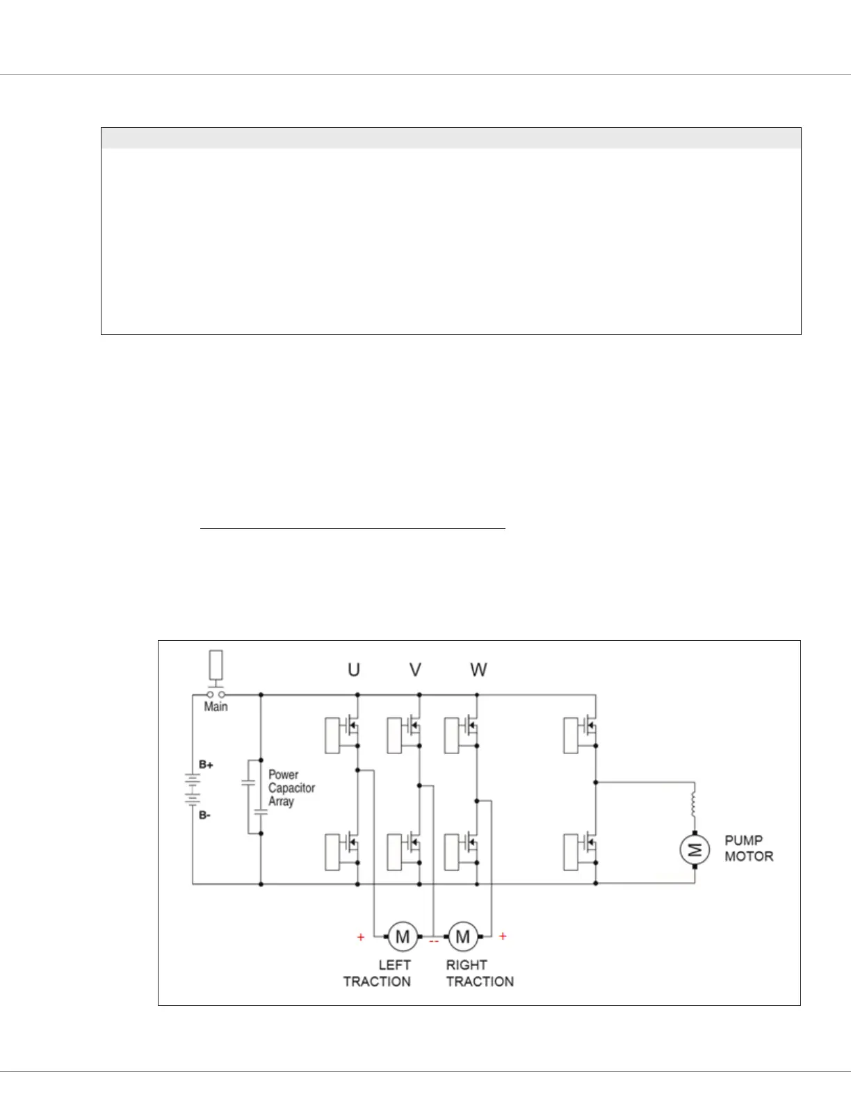
PMDC open loop voltage/speed control
is is the Motor Technology parameter (0x3534) value 6, PMDC (permanent magnet DC motors).
e diagram illustrates two permanent magnet DC motors connected to the three AC phases UVW.
Consult Curtis and the PMDC supplement manual before proceeding with this control mode.

Table of Contents

Related product manuals