EasyManua.ls Logo

Kohler KG100

Kohler KG100
176 pages
To Next Page IconTo Next Page
To Next Page IconTo Next Page
To Previous Page IconTo Previous Page
To Previous Page IconTo Previous Page
Loading...
TP-6694 6/22 91
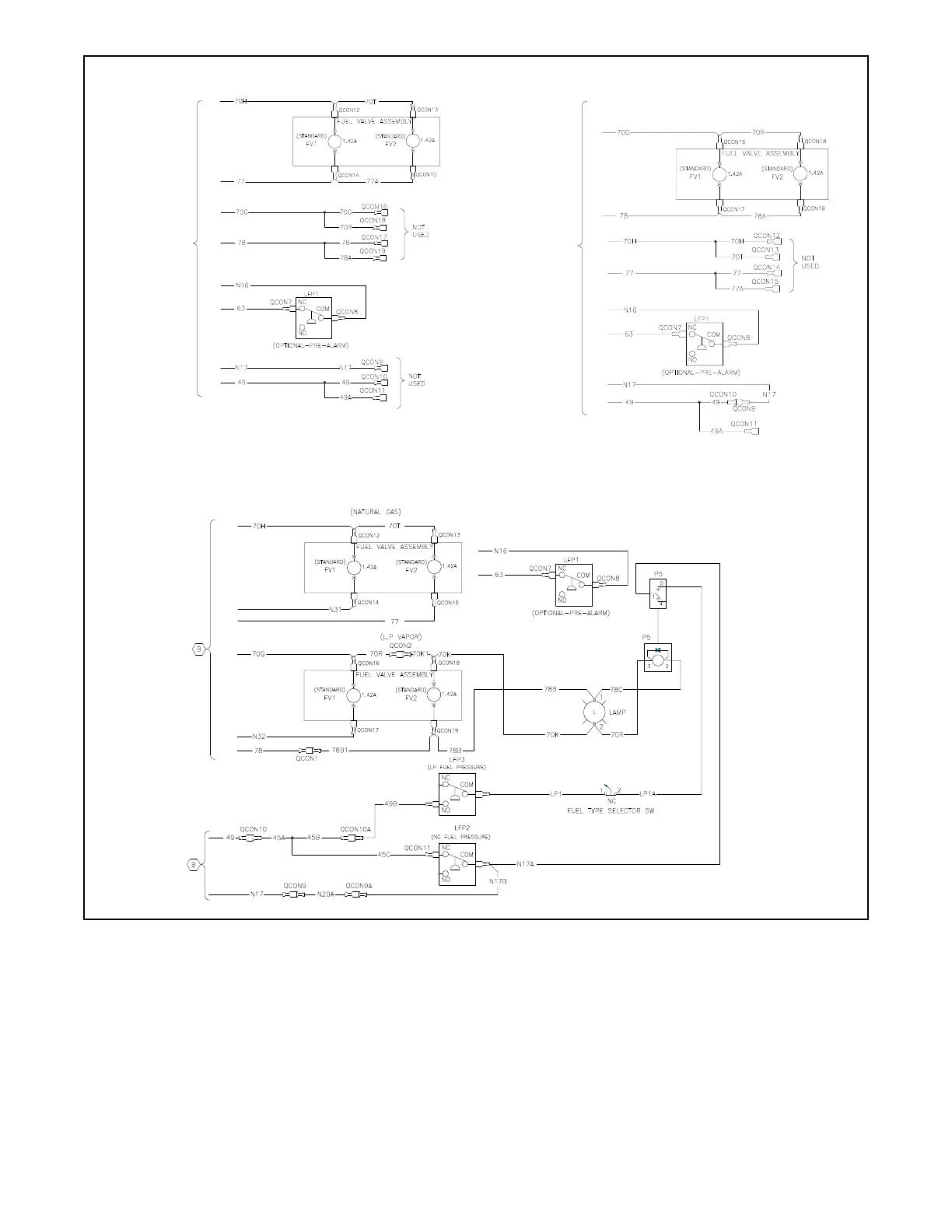
Figure 38 Gaseous Fuel Connections Wiring Diagram, KG40KG60 (KG6208)
Natural Gas
LPG Vapor
Auto Changeover Natural Gas and LPG Vapor
To ECM
and
controller
To ECM
and
controller
To ECM
and
controller
ADV-9774D-C
To ECM
and
controller

Table of Contents

Other manuals for Kohler KG100

Related product manuals