EasyManua.ls Logo

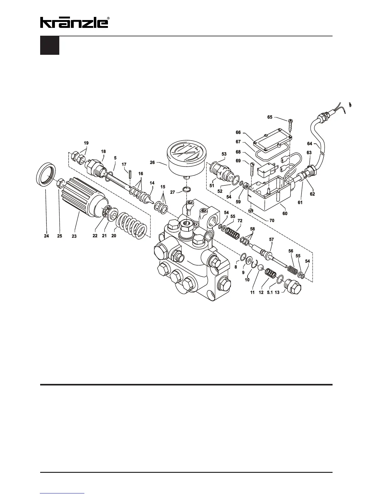
Kranzle Profi 195 TST - Spare Parts: Unloader Valve & Pressure Switch; Guide Piston and Pressure Switch Kits; Pressure Switch Assembly Components

Kranzle Profi 195 TST
44 pages
Print Icon
To Next Page IconTo Next Page
To Next Page IconTo Next Page
To Previous Page IconTo Previous Page
To Previous Page IconTo Previous Page
Loading...
Guide piston with handwheel 40.490
Items 5, 14-25
Repair kit pressure switch mech. 15.009 3
1 x Items 51, 1 x Items 52, 1 x Items 53, 3 x Items 54, 1 x Items 55, 1 x Items 56,
1 x Items 57, 1 x Items 58, 1 x Items 59
Pressure switch compl. 41.300 5
34
Spare parts list Kränzle Profi
Unloader valve and pressure switch
No Description Qty. Ord.-No

Related product manuals