EasyManua.ls Logo

Kranzle Profi 195 TST - Spare Parts: Motor Assembly; Motor Components and Diagrams

Kranzle Profi 195 TST
44 pages
Print Icon
To Next Page IconTo Next Page
To Next Page IconTo Next Page
To Previous Page IconTo Previous Page
To Previous Page IconTo Previous Page
Loading...
36
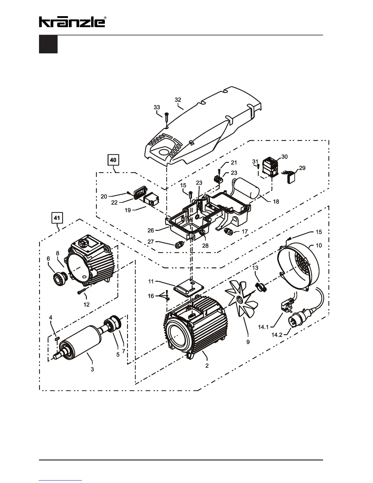
Spare parts list Kränzle Profi
Motor

Related product manuals