EasyManua.ls Logo

KREYER CHILLY MAX 90 - Page 27

Default Icon
36 pages
Print Icon
To Next Page IconTo Next Page
To Next Page IconTo Next Page
To Previous Page IconTo Previous Page
To Previous Page IconTo Previous Page
Loading...
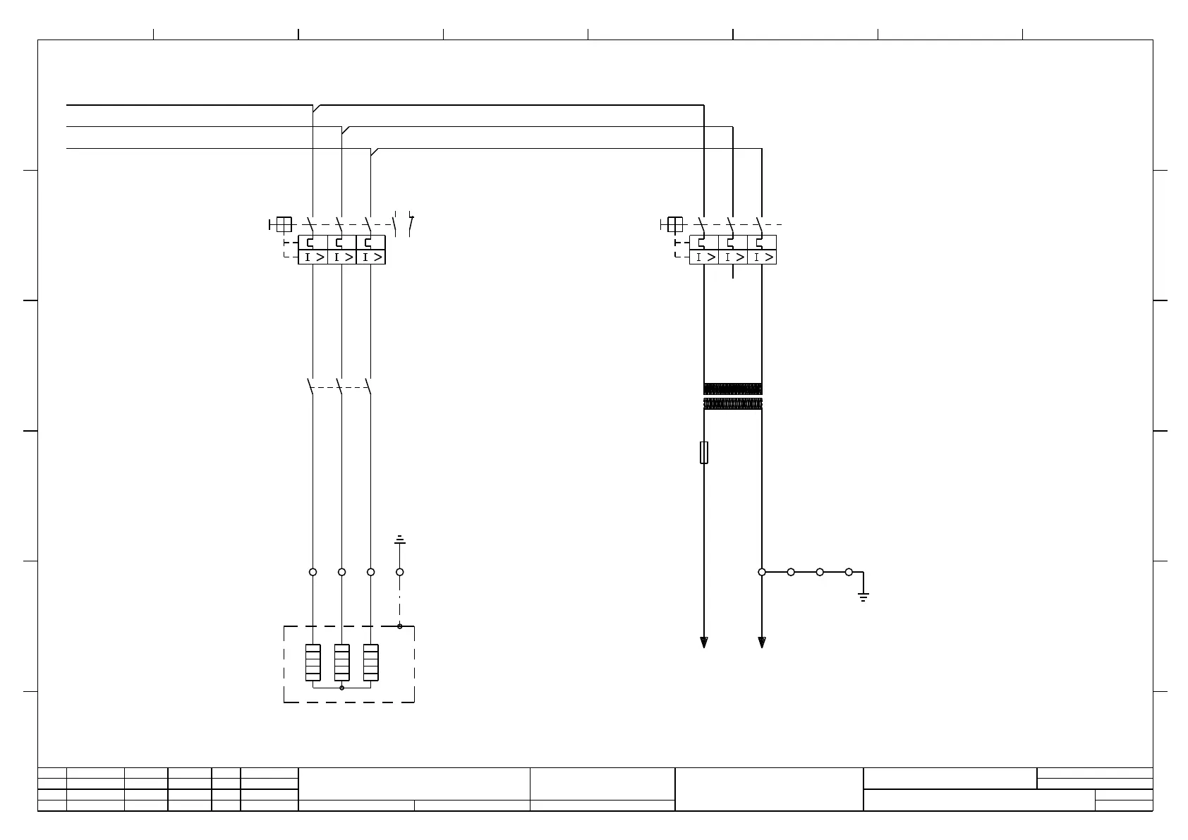
L1
2.8
L2
2.8
L3
2.8
zu Q4
3,5-5,0 A
Q4
1
2
3
4
5
6
Q8
4.4
1
2
X1 13
3,0KW 4,4A
Heizung
heater
E1
3
4
14
5
6
15 16
0,45-0,63 A
Q5
1
2
3
4
5
6
T1/F1
a
4.1
X1 17
b
4.1
18 19 20
Sämtliche Leitungen ohne besondere Querschnitts-angabe sind H05V-K 1,5mm ²
all cables without numbers are H05V-K 1,5mm ²
*
Bei Entfernung dieser PE-Verbindung
wird Isolationsüberwachung erforderlich.
With removal of PE-connection
you need an isolation control
Steuerspannung
control voltage
A
B
2 3 4 5 6 7 81
3
E0007196
Chilly Max 90
Hauptstromkreise
Main circuit
8
Zust. Änderung Datum Name
Datum
Bearb.
Gepr.
Norm
Ursp. Ers. f. Ers. d.
Zeichng.
Nr.
Typ
=
+
Blatt
Blattvon
A
B
C
D
F
A
B
C
D
E
F
2 3 4 5 6 7 8
E
1
Bruchhof
16.12.2008
Wiebe
13
14
4.4
21
22

Related product manuals