EasyManua.ls Logo

KREYER CHILLY MAX 90 - Control Circuit

Default Icon
36 pages
Print Icon
To Next Page IconTo Next Page
To Next Page IconTo Next Page
To Previous Page IconTo Previous Page
To Previous Page IconTo Previous Page
Loading...
a
3.5
b
3.6
4
5
15.0
K1
2.5
X1 21
P>
F2
X1 22
X1 23
B2
X1 24
2
OUT 1
zu S1
3
1
S1
13
14
Q6
A1
A2
Q2
2.3
13
14
Q3
2.7
13
14
Q4
3.3
13
14
Q7
5.2
13
14
15
OUT 2
14
13
21
22
Q8
A1
A2
K3
4.7
12
11
14
6
7
8
X1 25
X1 26
B1
X1 27
H
B3
X1 28
K3
A1
A2
a
5.1
b
5.1
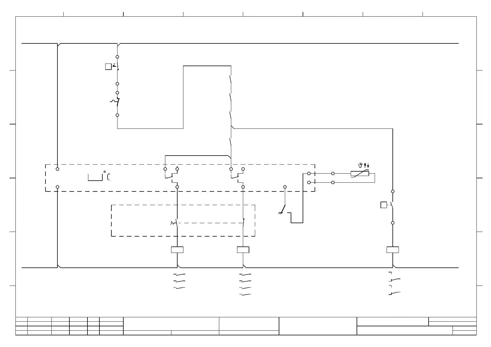
I=Kühlen/cooling
Kompressor
compressor
Heizung
heater
Mediumtemperatur
medium temperature
Schwimmerschalter
level switch
Hochdruckbegrenzer
high pressure limiter
Lüfter
fan
A
B
2 3 4 5 6 7 81
4
E0007196
Chilly Max 90
Steuerstromkreise
Control circuit
8
Zust. Änderung Datum Name
Datum
Bearb.
Gepr.
Norm
Ursp. Ers. f. Ers. d.
Zeichng.
Nr.
Typ
=
+
Blatt
Blattvon
A
B
C
D
F
A
B
C
D
E
F
2 3 4 5 6 7 8
E
1
Bruchhof
16.12.2008
Wiebe
1 2
2.3
3 4
2.3
5 6
2.4
1 2
3.3
3 4
3.3
5 6
3.3
13 14
4.5
14
12
4.5
11
5.2
24
22
5.2
21

Related product manuals