EasyManua.ls Logo

KREYER CHILLY MAX 90 - Main Circuit

Default Icon
36 pages
Print Icon
To Next Page IconTo Next Page
To Next Page IconTo Next Page
To Previous Page IconTo Previous Page
To Previous Page IconTo Previous Page
Loading...
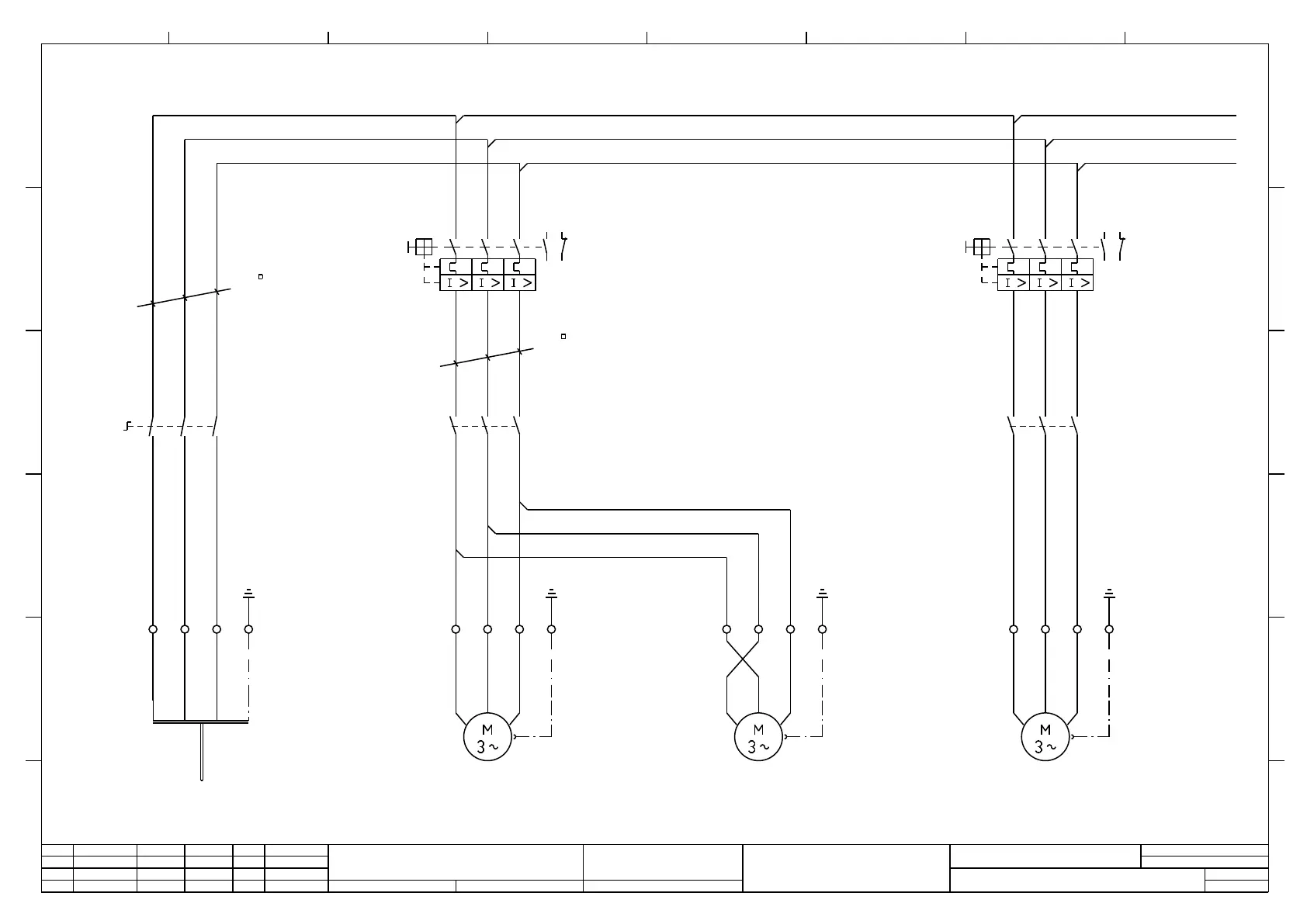
Q1
2
1
4
3
6
5
X1 L1 L2
2,5
L3 PE
zu Q2
9,0-12,0 A
Q2
1
2
3
4
5
6
Q6
4.3
1
2
X1 1
5,33kW 10,15A
Kompressor
compressor
M1
U1 V1 W1 PE
3
4
3
2,5
5
6
5 7
4.2
X1 2
0,71 kW 1,4 A
Lüfter
fan
M2/B2
U1 V1 W1 PE
4 6 8
zu Q3
1,1-1,6 A
Q3
1
2
3
4
5
6
Q7
5.2
1
2
X1 9
0,8KW 1,25A
Pumpe
pump
M3
U1 V1 W1 PE
3
4
10
5
6
11 12
L1
3.1
L2
3.1
L3
3.1
Einspeisung
power supply
Sämtliche Leitungen ohne besondere Querschnitts-angabe sind H05V-K 1,5mm ²
all cables without numbers are H05V-K 1,5mm ²
A
B
2 3 4 5 6 7 81
2
E0007196
Chilly Max 90
Hauptstromkreise
Main circuit
8
Zust. Änderung Datum Name
Datum
Bearb.
Gepr.
Norm
Ursp. Ers. f. Ers. d.
Zeichng.
Nr.
Typ
=
+
Blatt
Blattvon
A
B
C
D
F
A
B
C
D
E
F
2 3 4 5 6 7 8
E
1
Bruchhof
16.12.2008
Wiebe
13
14
4.4
21
22
13
14
4.4
21
22

Related product manuals