EasyManua.ls Logo

Kromschroder FCU 500 - Page 9

Kromschroder FCU 500
148 pages
Print Icon
To Next Page IconTo Next Page
To Next Page IconTo Next Page
To Previous Page IconTo Previous Page
To Previous Page IconTo Previous Page
Loading...
FCU 500, FCU 505 · Edition 02.17 9
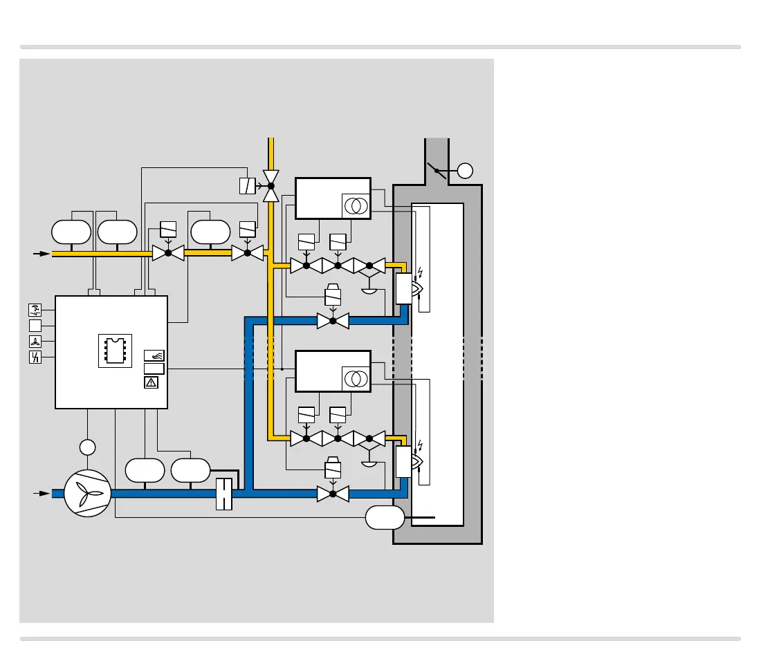
Application
The ignition and monitoring of the
individual burners is ensured by
burner control unit BCU 460..L.
The centrally checked safety func-
tions such as pre-purge, tightness
test, flow detector and pressure
switch check (gas
min.
, gas
max.
,
air
min.
) are provided by the FCU 500.
M
PZL PZH PZ
PZL PDZ
TE
M
BCU 460..L
BCU 460..L
FCU 500..F0
µC
P
DG DG DG
VAS
VAS
VAS
VCG
VCG
VR..L
VR..L
DG DG
DG
min
DG
max
49 15 131450
45
47 4858
>750°
p
u
/2
ϑ
1
46
2
3
DL
min
DL
Purge
STM

Table of Contents

Related product manuals