EasyManua.ls Logo

Kromschroder FCU 500 - Application Examples; ON;OFF Rotary Impulse Control

Kromschroder FCU 500
148 pages
Print Icon
To Next Page IconTo Next Page
To Next Page IconTo Next Page
To Previous Page IconTo Previous Page
To Previous Page IconTo Previous Page
Loading...
FCU 500, FCU 505 · Edition 02.17 8
Application
1.1 Application examples
1.1.1
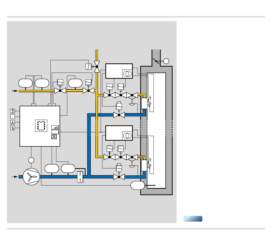
ON /OFF ro tar y impul se contr ol
For processes which require a turn-
down of more than 10:1 and/or
those which require heavy circula-
tion of the furnace atmosphere to
ensure a uniform temperature, e.g.
heat treatment furnaces operating
at low and medium temperatures in
the metallurgical industry.
With ON/OFF cyclic control, the
capacity supplied to the process is
controlled by means of a variable
ratio of the operating time to the
pause time. In this type of control,
the burner output pulse frequency
always maintains full momentum
and results in maximum convection
in the furnace chamber, even with
regulated heating.
The pneumatic ratio control sys-
tem controls the gas pressure on
the burner proportionally to the air
pressure and thus maintains a con-
stant air/gas ratio. At the same time,
it acts as a low air pressure protec-
tion device.
M
PZL PZH PZ
PZL PDZ
TE
M
BCU 460..L
BCU 460..L
FCU 500..F0
µC
P
DG DG DG
VAS
VAS
VAS
VCG
VCG
VR..L
VR..L
DG DG
DG
min
DG
max
49 15 131450
45
47 4858
>750°
p
u
/2
ϑ
1
46
2
3
DL
min
DL
Purge
STM

Table of Contents

Related product manuals