EasyManua.ls Logo

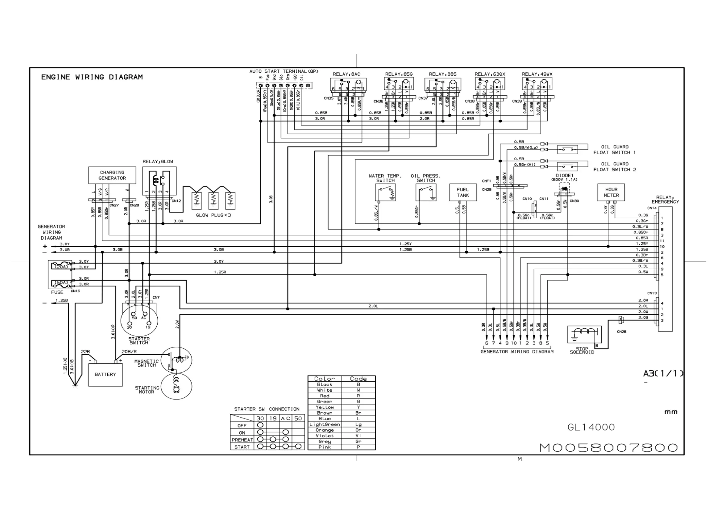
Kubota D902-E4B - 10. Wiring Diagram

Kubota D902-E4B
32 pages
Print Icon
To Next Page IconTo Next Page
To Next Page IconTo Next Page
To Previous Page IconTo Previous Page
To Previous Page IconTo Previous Page
Loading...
10. Wiring Diagram
27

Related product manuals