EasyManua.ls Logo

KUPPET 1022101300 - Troubleshooting Common Issues; No Water Supply Issues; Water Flow and Pump Problems; Ice Quality and Shape Issues

KUPPET 1022101300
27 pages
Print Icon
To Next Page IconTo Next Page
To Next Page IconTo Next Page
To Previous Page IconTo Previous Page
To Previous Page IconTo Previous Page
Loading...
24
MCU
T1
COM P
AC-L
N
POWER SUPPLY
L
G
AC-N
T1
RT
W ATER
ICE
M
~
AW
MW
DC Fan for
Condenser
Main PCB
Main Water Supply
Control Valve
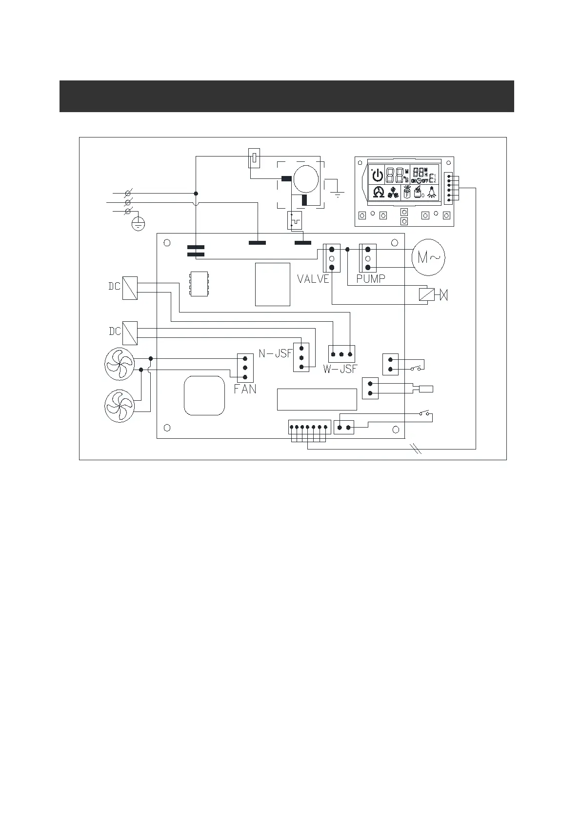
Electrical Diagram
for Ice-maker
Starting
Relay
Overload
Protector
COMPRSSOR
Room Temp
Sensor
Water Level
Switch
RELAY
Ice-harvest
Solenoid Valve
Ice-Full
Detecting Switch
6C
Water Charging
Tank Control Valve
AC Pump
Control panel PCB
WIRING DIAGRAM

Related product manuals