EasyManua.ls Logo

KUPPET HZB-45 - WIRING DIAGRAM; Normal Sounds

KUPPET HZB-45
22 pages
Print Icon
To Next Page IconTo Next Page
To Next Page IconTo Next Page
To Previous Page IconTo Previous Page
To Previous Page IconTo Previous Page
Loading...
15
Normal Sounds
Your new ice maker may make sounds that are not familiar to you. Most of the new sounds are normal.
Hard surfaces like the floor, walls and cabinets can make the sounds seem louder than they actually
are. The following describes the kinds of sounds that might be new to you and what may be making
them.
You will hear a swooshing sound when the water valve opens to fill the water tank for each cycle.
Rattling noises may come from the flow of the refrigerant or the water line. Items stored on top of
the ice maker can also make noises.
The high-efficiency compressor may make a pulsating or high-pitched sound.
Water running from the water tank to the evaporator plate may make a splashing sound.
Water running from the evaporator to the water tank may make a splashing sound.
As each cycle ends, you may hear a gurgling sound due to the refrigerant flowing in your icemaker.
You may hear air being forced over the condenser by the condenser fan. During the harvest cycle,
you may hear the sound of ice cubes falling into the ice storage bin.
When you first start the ice maker, you may hear water running continuously. The ice maker is
programmed to run a rinse cycle before it begins to make ice.
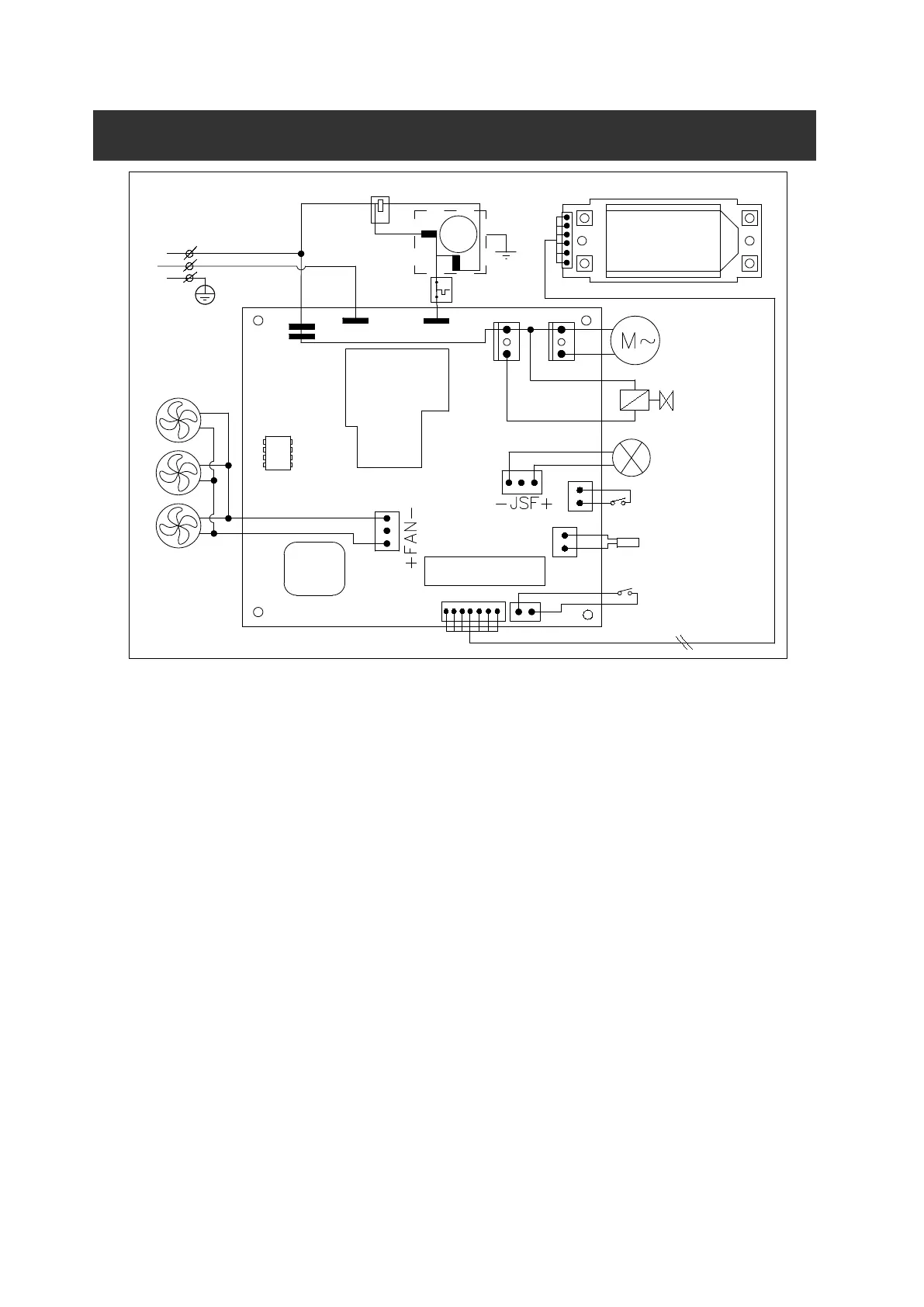
WIRING DIAGRAM
MCU
T1
Relay
PUMP
CO M P
AC-L
N
Power
Supply
L
G
AC-N
Solenoid Vale for
Ice-harvest
6C
Main Control PCB
T1
DC Water Inlet Valve
RT
W ATER
ICE
AC Water Pump
VALVE
ELECTRICAL DIAGRAM
DC Fan Motor
Start Relay
CO M PRESSO R
SENSOR FOR ICE
FULL DETECTING
SENSOR FOR
AMBIENT TEMP
WATER LEVEL
DETECTING SWITCH
LCD
N
L
G
M
~
AW
MW
Overload
Protector

Related product manuals