EasyManua.ls Logo

Kwikee Level Best - Incorrect Hose Installation

Kwikee Level Best
20 pages
Print Icon
To Next Page IconTo Next Page
To Next Page IconTo Next Page
To Previous Page IconTo Previous Page
To Previous Page IconTo Previous Page
Loading...
Level Best Service Guide Page 5
a. Completely extend the cylinder and loosen the top hose fitting on the cylinder. You
will hear air escaping. Do not remove the fitting from the cylinder to vent this air.
Tighten the fitting when air ceases to vent and only fluid is escaping.
b. Operate the cylinder up and down several times to check for smooth operation.
CAUTION: Do not run the pump without fluid as damage to the pump
may occur. Do not engage the pump motor for periods greater than
thirty (60) seconds as motor damage may occur.
WARNING: While retracting knee acting jacks, the cam on the upper
portion of the leg will make contact with lift plate and cause the
leg assembly to swing upward. Failure to stay clear of the levelers
when the system is being operated can result in severe injury.
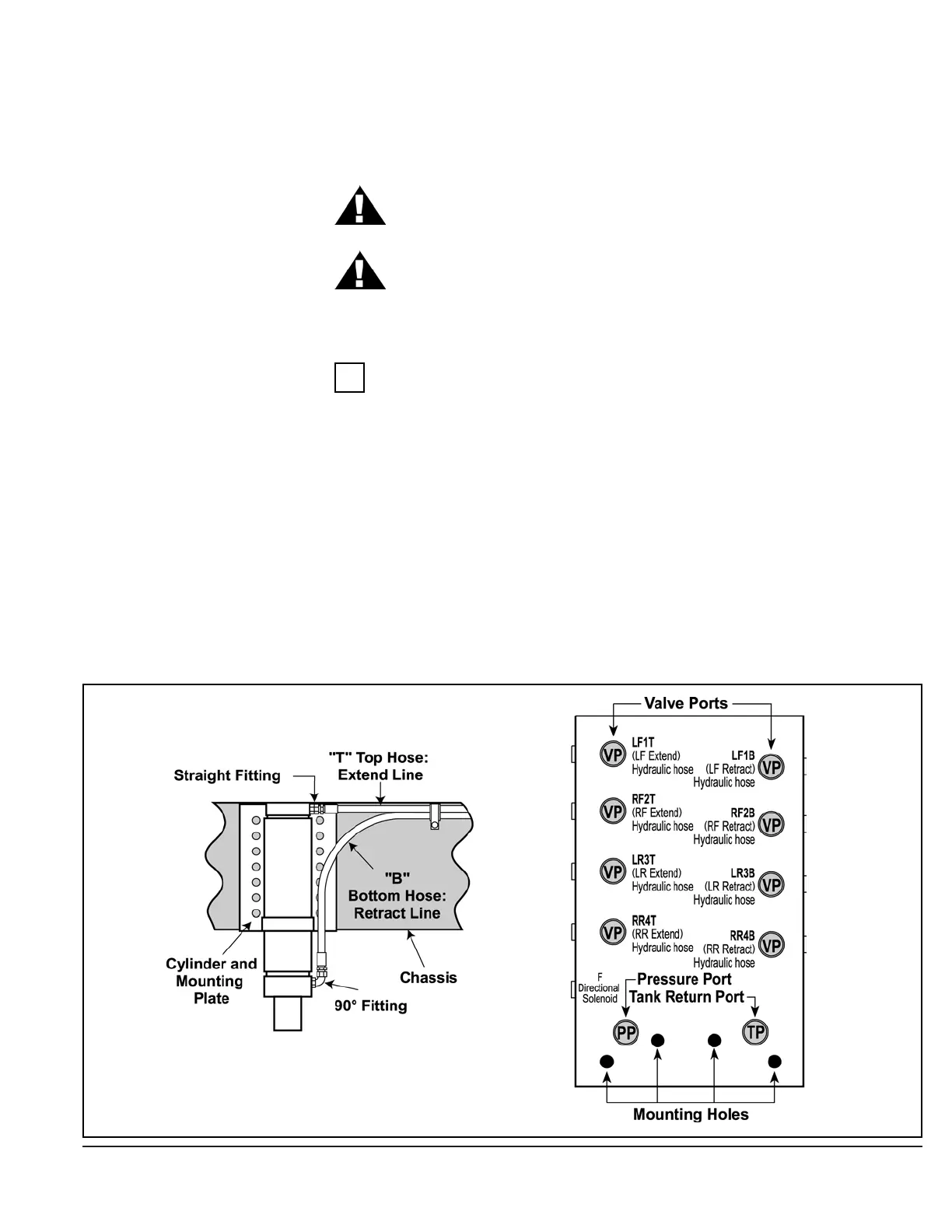
C Incorrect Hose Installation
1. Check hose routings and attachments at cylinders and manifold.
a. Manifold connections are labeled 1T through 4T, and 1B through 4B. “T” indicates
top hose at cylinder. Match the labeled hoses to the matching manifold connections.
LF1T to 1T; RF2T to 2T; etc. (Figure 1b.)
Left Front Extend LF1T
Right Front Extend RF2T
Left Rear Extend LR3T
Right Rear Extend RR4T
Left Front Retract LF1B
Right Front Retract RF2B
Left Rear Retract LR3B
Right Rear Retract RR4B
Figure 1a

Related product manuals