EasyManua.ls Logo

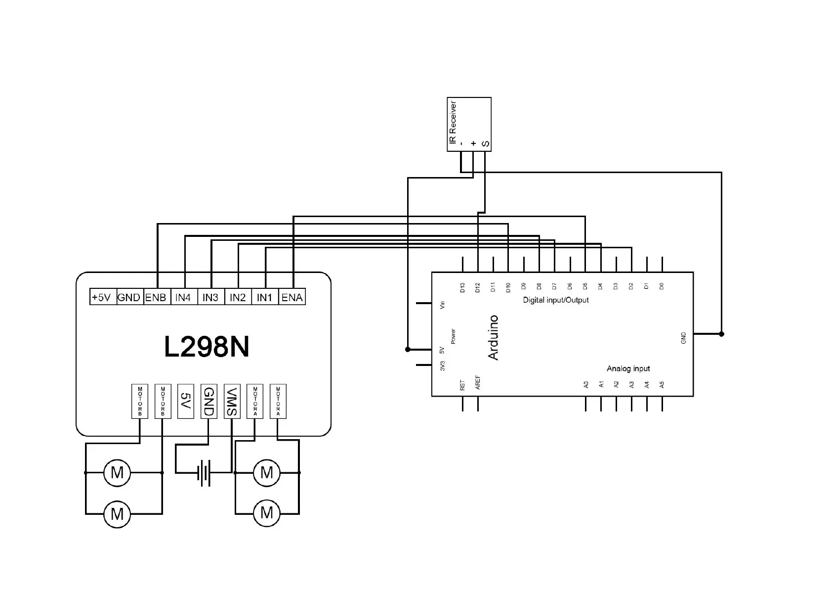
LAFVIN Obstacle Avoidance Smart Car Kit - IR Remote Control Car Wiring Schematic

LAFVIN Obstacle Avoidance Smart Car Kit
80 pages
Print Icon
To Next Page IconTo Next Page
To Next Page IconTo Next Page
To Previous Page IconTo Previous Page
To Previous Page IconTo Previous Page
Loading...
71/78
Connection
Schematic