EasyManua.ls Logo

Laguna Tools DFLUX1 - Page 12

Laguna Tools DFLUX1
42 pages
Print Icon
To Next Page IconTo Next Page
To Next Page IconTo Next Page
To Previous Page IconTo Previous Page
To Previous Page IconTo Previous Page
Loading...
12
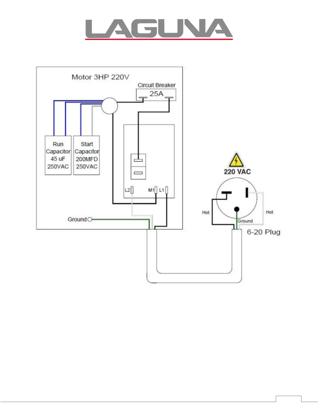
DFLUX3: 220 volt POWER CONNECTIONS/DIAGRAM
Figure 2: 220 Volt Power Connections & Wiring, DFLUX3
I
Motor
3HP
220V
Run
start
capacitor Capaci
to
45
uf
200MFD
250VAC 250VAC
c:::::J
L20
M1
L1
Ground\.---------,
&
220 VAC
ot Neu
tr
al
II
6-20
Plug